您当前的位置:首页 / 产品展示 / 不锈钢球阀 / 美标法兰球阀 ANSI flange ball valve Q41F-300LB
产品展示
浮动球球阀的结构简单,密封性好,但球体承受工作介质的载荷全部传给了出口密封圈,因此要考虑密封圈材料能否经受得住球体介质的工作载荷,在受到较高压力冲击时,球体可能会发生偏移。这种结构,一般用于中低压球阀。
球阀的主要特点是本身结构紧凑,密封可靠,结构简单,维修方便,密封面与球面常在闭合状态,不易被介质冲蚀,易于操作和维修,适用于水、溶剂、酸和天然气等一般工作介质,而且还适用于工作条件恶劣的介质。该球阀与介质接触部位均为耐腐蚀的不锈钢,这种软密封球阀用于水、溶剂、酸和天然气等一般工作介质,而且还适用于工作条件恶劣的介质,如氧气过氧化氢、硝酸、醋酸、烧碱等腐蚀性介质。软密封不锈钢法兰球阀通常使用在医疗卫生装置、食品机械、化工酸碱腐蚀性装置和管路系统中。
产品详情
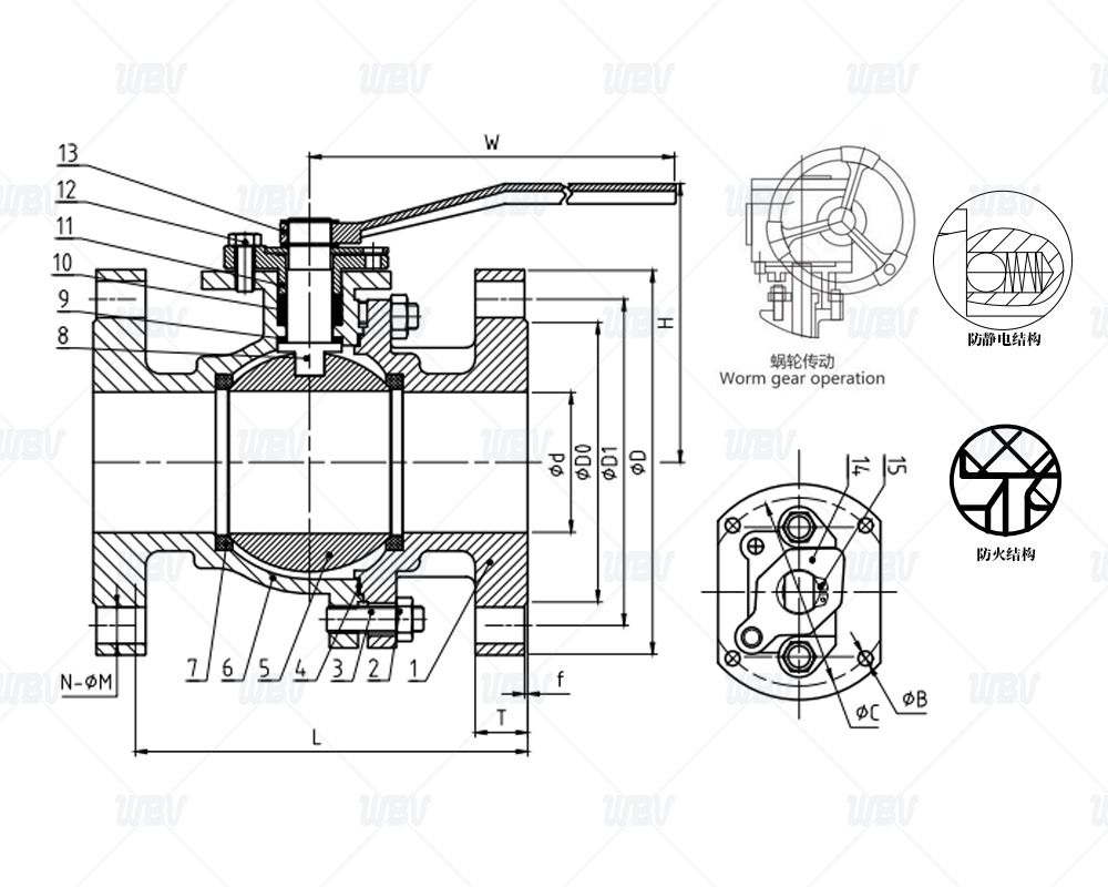
产品图纸

产品尺寸
| DN | Фd | ФD | ФD1 | ФD0 | T | f | L | W | H | N-ФM | ФB | ФC |
| 1/2" | 15 | 95 | 66.5 | 35 | 15 | 2 | 140 | 140 | 87 | 4-Ф15 | 5 | 42 |
| 3/4" | 20 | 117 | 82.5 | 43 | 16 | 2 | 152 | 140 | 88 | 4-Ф19 | 5 | 42 |
| 1" | 25 | 124 | 89 | 51 | 18 | 2 | 165 | 165 | 95 | 4-Ф19 | 5 | 50 |
| 1 1/4" | 32 | 133 | 98.5 | 64 | 19 | 2 | 178 | 165 | 100 | 4-Ф19 | 5 | 50 |
| 1 1/2" | 38 | 156 | 114.5 | 73 | 21 | 2 | 190 | 195 | 105 | 4-Ф19 | 6.5 | 70 |
| 2" | 50 | 165 | 127 | 92 | 23 | 2 | 216 | 240 | 117 | 8-Ф19 | 6.5 | 70 |
| 2 1/2" | 64 | 190 | 149 | 105 | 26 | 2 | 241 | 240 | 142 | 8-Ф22 | 8.5 | 102 |
| 3" | 77 | 210 | 168.5 | 127 | 29 | 2 | 283 | 260 | 145 | 8-Ф22 | 8.5 | 102 |
| 4" | 100 | 254 | 200 | 157 | 32 | 2 | 305 | 320 | 170 | 8-Ф22 | 8.5 | 102 |
| 5" | 125 | 279 | 235 | 185.7 | 35 | 2 | 381 | 600 | 195 | 8-Ф22 | ||
| 6" | 150 | 318 | 270 | 216 | 37 | 2 | 403 | 800 | 275 | 12-Ф22 | ||
| 8" | 200 | 381 | 330 | 270 | 42 | 2 | 502 | 1000 | 320 | 12-Ф25 | ||
| 10" | 250 | 445 | 387.5 | 324 | 48 | 2 | 568 | 1200 | 385 | 16-Ф29 |
技术资料
1.设计和制造按ANSI 16.34 API608的规定
2.结构长度按ANSI B16.10的规定
3.法兰尺寸按ANSI B16.15的规定
4.测试按API598的规定
产品零件表
| 序号 | 名称 | 材质 | 序号 | 名称 | 材质 |
| 1 | Cover 阀盖 | WCB/CF8/CF8M | 9 | Thrust washer 止推垫圈 | PTFE |
| 2 | Nut 螺母 | A194 8 | 10 | Packing 填料 | PTFE |
| 3 | Bolt 螺栓 | A193 B8 | 11 | Packing gland填料压盖 | SS/SS304/SS316 |
| 4 | Spring washer 弹性垫圈 | PTFE | 12 | Cap bolt压盖螺栓 | SS/SS304/SS316 |
| 5 | Ball 球 | SS/SS304/SS316 | 13 | Handle 手柄 | WCB/SS |
| 6 | Body 阀体 | WCB/CF8/CF8M | 14 | Stopper限位片 | SS/SS304/SS316 |
| 7 | Seat 阀座 | PTFE | 15 | Snap ring 卡簧 | SS/SS304/SS316 |
| 8 | Stem 阀杆 | SS/SS304/SS316 | - | - | - |
相关信息