产品展示
10K日标法兰球阀的工作原理是靠旋转阀芯来使阀门畅通或关闭。球阀开关轻便,体积小,可以做成很大口径,密封可靠,结构简单,维修方便,密封面与球面常在闭合状态,不易被介质冲蚀,在各行业得到广泛的应用。二片式法兰球阀有着自身独有的优越性,如开关无摩擦,密封不易磨损,启闭力矩小,这样可以减小所配执行器的规格。
产品详情
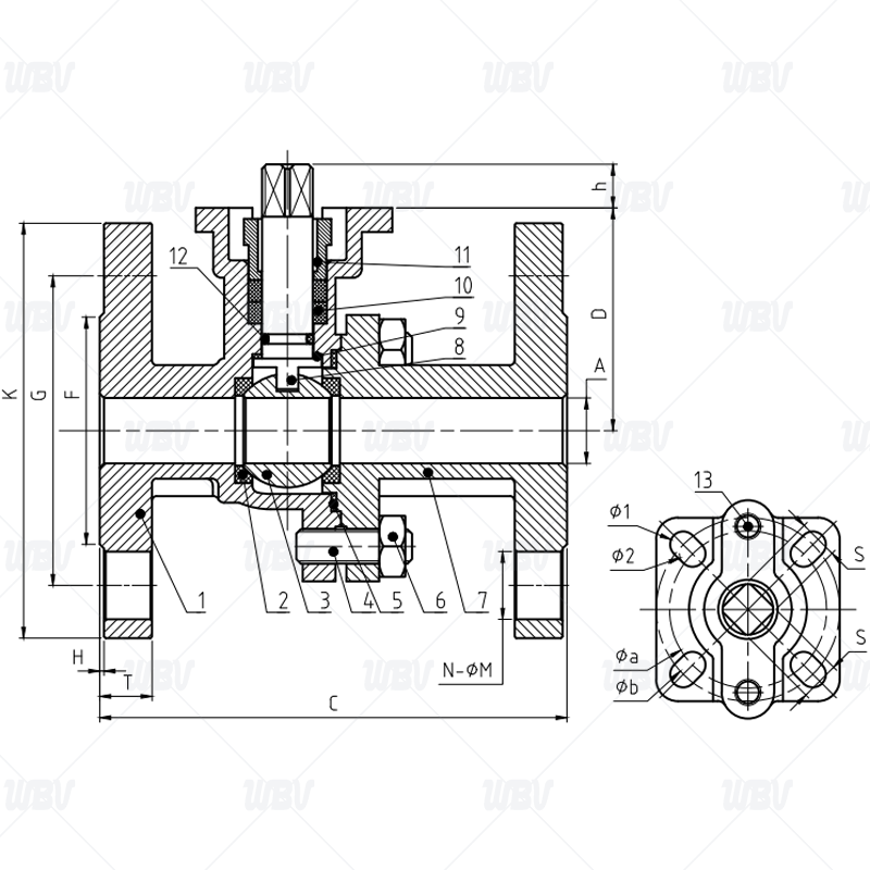
产品图纸

产品尺寸
| DN | A | F | G | K | T | H | C | D | h | N-ФM | Фa | Фb | Ф2 | Ф1 | S |
| 1/2" | 15 | 51 | 70 | 95 | 12 | 1 | 107 | 50 | 10 | 4-15 | 36 | 42 | 6 | 6 | 9 |
| 3/4" | 18 | 56 | 75 | 100 | 14 | 1 | 117 | 55 | 10 | 4-15 | 36 | 42 | 6 | 6 | 9 |
| 1" | 24 | 67 | 90 | 125 | 14 | 1 | 127 | 65 | 12 | 4-19 | 42 | 50 | 6 | 7 | 11 |
| 1 1/4" | 32 | 76 | 100 | 135 | 16 | 2 | 137 | 70 | 12 | 4-19 | 42 | 50 | 6 | 7 | 11 |
| 1 1/2" | 36 | 84 | 105 | 140 | 16 | 2 | 165 | 75 | 16 | 4-19 | 50 | 70 | 7 | 9 | 14 |
| 2" | 50 | 96 | 120 | 155 | 16 | 2 | 177 | 80 | 16 | 4-19 | 50 | 70 | 7 | 9 | 14 |
| 2 1/2" | 62 | 116 | 140 | 175 | 18 | 2 | 188 | 90 | 16 | 4-19 | 50 | 70 | 7 | 9 | 14 |
| 3" | 78 | 126 | 150 | 185 | 18 | 2 | 203 | 95 | 19 | 8-19 | 70 | 102 | 9 | 11 | 17 |
| 4" | 100 | 151 | 175 | 210 | 18 | 2 | 228 | 110 | 19 | 8-19 | 70 | 102 | 9 | 11 | 17 |
技术资料
1.结构长度按JIS B2002-1987
2.法兰尺寸按JIS B2212-1999
3.压力温度按GB/T 12224-2005
4.验收按GB/T 13927-1992
产品零件表
| NO. | PART NAME | MATERIAL |
| 1 | BODY | CF8 |
| 2 | SEAT | PTFE |
| 3 | BALL | SS304 |
| 4 | BOLT | SS304 |
| 5 | GASKET | PTFE |
| 6 | NUT | SS304 |
| 7 | CAP | CF8 |
| 8 | STEM | SS304 |
| 9 | THRUST WASHER | PTFE |
| 10 | PACKING | PTFE |
| 11 | GLAND | SS304 |
| 12 | O-RING | FKM |
| 13 | GLAND BOLTS | SS304 |
相关信息