您当前的位置:首页 / 产品展示 / 不锈钢球阀 / 日标法兰球阀 JIS flange ball valve Q41F-10K
产品展示
10K日标法兰球阀的工作原理是靠旋转阀芯来使阀门畅通或关闭。球阀开关轻便,体积小,可以做成很大口径,密封可靠,结构简单,维修方便,密封面与球面常在闭合状态,不易被介质冲蚀,在各行业得到广泛的应用。二片式法兰球阀有着自身独有的优越性,如开关无摩擦,密封不易磨损,启闭力矩小,这样可以减小所配执行器的规格。
产品详情
产品图纸
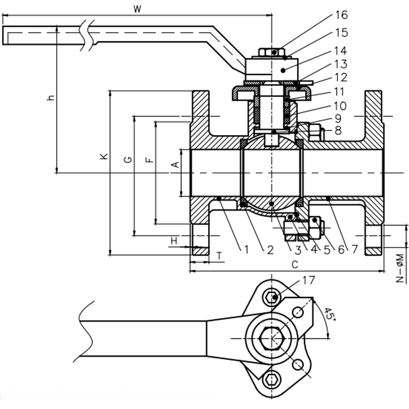
2.
产品尺寸
| DN | A | F | G | K | T | H | C | N-ФM |
| 1/2" | 15 | 52 | 70 | 95 | 12 | 1 | 107 | 4-15 |
| 3/4" | 18 | 58 | 75 | 100 | 14 | 1 | 117 | 4-15 |
| 1" | 24 | 70 | 90 | 125 | 14 | 1 | 127 | 4-19 |
| 1 1/4" | 32 | 80 | 100 | 135 | 16 | 2 | 137 | 4-19 |
| 1 1/2" | 36 | 85 | 105 | 140 | 16 | 2 | 165 | 4-19 |
| 2" | 50 | 100 | 120 | 155 | 16 | 2 | 177 | 4-19 |
| 2 1/2" | 62 | 120 | 140 | 175 | 18 | 2 | 188 | 4-19 |
| 3" | 78 | 130 | 150 | 185 | 18 | 2 | 203 | 8-19 |
| 4" | 100 | 155 | 175 | 210 | 18 | 2 | 229 | 8-19 |
| 5“ | 125 | 185 | 210 | 250 | 20 | 2 | 254 | 8-23 |
| 6” | 150 | 215 | 240 | 280 | 22 | 2 | 267 | 8-23 |
技术资料
1.结构长度按JIS B2002-1987
2.法兰尺寸按JIS B2212-1999
3.压力温度按GB/T 12224-2005
4.验收按GB/T 13927-1992
产品零件表
| NO. | PART NAME | MATERIAL |
| 1 | BODY | CF8 |
| 2 | SEAT | PTFE |
| 3 | BALL | SS304 |
| 4 | BOLT | SS304 |
| 5 | GASKET | PTFE |
| 6 | NUT | SS304 |
| 7 | CAP | CF8 |
| 8 | STEM | SS304 |
| 9 | THRUST WASHER | PTFE |
| 10 | PACKING | PTFE |
| 11 | DRIVE RING | SS304 |
| 12 | GLAND | SS304 |
| 13 | LOCATED BLOCK | SS304 |
| 14 | HANDLE | A126 |
| 15 | FLAT GASKET | SS304 |
| 16 | BOLT | SS304 |
| 17 | BOLT | S304 |
相关信息