您当前的位置:首页 / 产品展示 / 不锈钢球阀 / 德标高平台法兰球阀 DIN high-platform flange ball valve Q41F-16
产品展示
浮动球球阀的结构简单,密封性好,但球体承受工作介质的载荷全部传给了出口密封圈,因此要考虑密封圈材料能否经受得住球体介质的工作载荷,在受到较高压力冲击时,球体可能会发生偏移。这种结构,一般用于中低压球阀。
球阀的主要特点是本身结构紧凑,密封可靠,结构简单,维修方便,密封面与球面常在闭合状态,不易被介质冲蚀,易于操作和维修,适用于水、溶剂、酸和天然气等一般工作介质,而且还适用于工作条件恶劣的介质。该球阀与介质接触部位均为耐腐蚀的不锈钢,这种软密封球阀用于水、溶剂、酸和天然气等一般工作介质,而且还适用于工作条件恶劣的介质,如氧气过氧化氢、硝酸、醋酸、烧碱等腐蚀性介质。软密封不锈钢法兰球阀通常使用在医疗卫生装置、食品机械、化工酸碱腐蚀性装置和管路系统中。
产品详情
产品图纸

产品尺寸
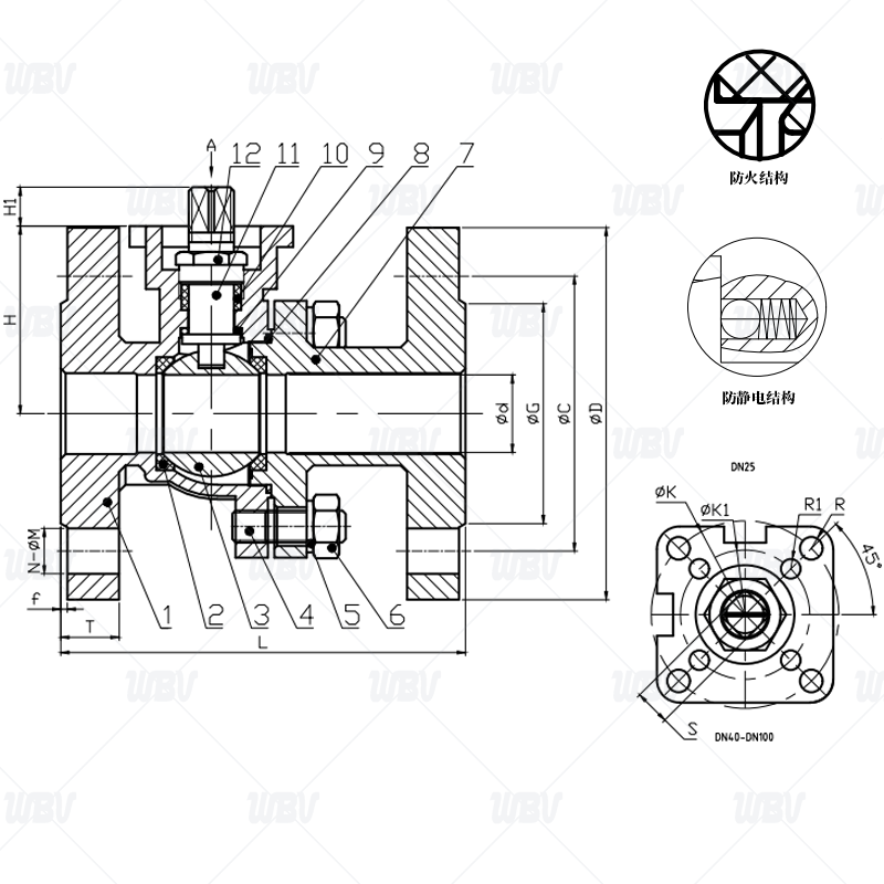
| DN | d | D | C | G | f | T | N-ФM | L | H | H1 | K | K1 | R | R1 | S | ISO5211 |
| 15 | 15 | 95 | 65 | 45 | 2 | 14 | 4-Ф14 | 115 | 50 | 10 | 42 | 36 | 3 | 3 | 9 | F04 |
| 20 | 20 | 105 | 75 | 58 | 2 | 16 | 4-Ф14 | 120 | 55 | 10 | 42 | 36 | 3 | 3 | 9 | F04 |
| 25 | 24 | 115 | 85 | 68 | 2 | 16 | 4-Ф14 | 125 | 58 | 12 | 50 | 42 | 3.5 | 3 | 11 | F05 |
| 40 | 38 | 150 | 110 | 88 | 3 | 18 | 4-Ф18 | 140 | 76 | 14 | 70 | 50 | 4.5 | 3.5 | 14 | F07 |
| 50 | 46 | 165 | 125 | 102 | 3 | 20 | 4-Ф18 | 150 | 85 | 14 | 70 | 50 | 4.5 | 3.5 | 14 | F07 |
| 65 | 62 | 185 | 145 | 122 | 3 | 22 | 8-Ф18 | 170 | 95 | 18 | 102 | 70 | 5.5 | 4.5 | 17 | F10 |
| 80 | 74 | 200 | 160 | 138 | 3 | 24 | 8-Ф18 | 180 | 115 | 18 | 102 | 70 | 5.5 | 4.5 | 17 | F10 |
| 100 | 93 | 235 | 190 | 162 | 3 | 24 | 8-Ф23 | 190 | 140 | 18 | 102 | 70 | 5.5 | 4.5 | 17 | F10 |
技术资料
1.设计按ANSI 16.34
2.结构长度按DIN3202 F4
3.法兰设计按DIN2534 PN25
4.执行器平台按ISO5211
5.材质按A351/CF8/1.4308
产品零件表
| 序号 | 名称 | 材质 |
| 1 | 阀体 | SS316 |
| 2 | 阀座 | PTFE |
| 3 | 球 | SS316 |
| 4 | 螺栓 | SS304 |
| 5 | 弹性垫圈 | SS304 |
| 6 | 螺母 | SS304 |
| 7 | 阀盖 | SS316 |
| 8 | 接头垫圈 | PTFE |
| 9 | 止推垫圈 | PTFE |
| 10 | 填料 | PTFE |
| 11 | 阀杆 | SS304 |
| 12 | 压盖 | SS304 |
相关信息