您当前的位置:首页 / 产品展示 / 不锈钢球阀 / 德标三片式法兰球阀 DIN 3PC flange ball valve Q41F-40
产品展示
产品详情
产品图纸

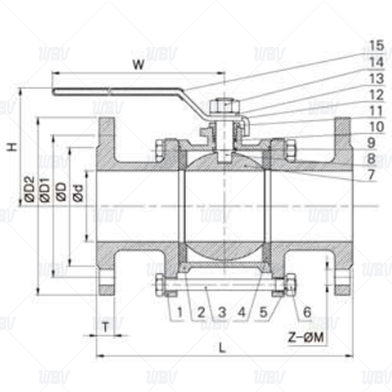
产品尺寸
| NPS | DN | d | D | D1 | D2 | T | L | W | H | Z-ФM |
| 1/2" | 15 | 15 | 45 | 65 | 95 | 16 | 130 | 125 | 75 | 4-Ф14 |
| 3/4" | 20 | 20 | 58 | 75 | 105 | 16 | 150 | 125 | 85 | 4-Ф14 |
| 1" | 25 | 25 | 68 | 85 | 115 | 16 | 160 | 125 | 95 | 4-Ф14 |
| 1 1/4" | 32 | 32 | 78 | 100 | 140 | 18 | 180 | 135 | 100 | 4-Ф18 |
| 1 1/2" | 40 | 38 | 88 | 110 | 145 | 18 | 200 | 165 | 100 | 4-Ф18 |
| 2" | 50 | 50 | 102 | 125 | 162 | 20 | 230 | 170 | 135 | 4-Ф18 |
| 2 1/4" | 65 | 65 | 122 | 145 | 185 | 22 | 290 | 170 | 135 | 4-Ф18 |
| 3" | 80 | 76 | 138 | 160 | 200 | 24 | 310 | 240 | 135 | 4-Ф18 |
| 4" | 100 | 100 | 162 | 190 | 235 | 24 | 350 | 245 | 140 | 4-Ф22 |
技术资料
1.设计按ANSI 16.34
2.结构长度按DIN3202 F4
3.法兰设计按DIN2534 PN25
4.执行器平台按ISO5211
5.材质按A351/CF8/1.4308
产品零件表
| 序号 | 名称 | 材质 | 序号 | 名称 | 材质 |
| 1 | 阀盖 | WCB/CF8/CF8M | 9 | 止推垫圈 | PTFE |
| 2 | 阀体 | WCB/CF8/CF8M | 10 | 填料 | PTFE |
| 3 | 螺栓 | SS/SS304/SS316 | 11 | 填料压盖 | SS/SS304/SS316 |
| 4 | 阀座 | PTFE | 12 | 手柄 | SS |
| 5 | 螺栓垫圈 | SS/SS304/SS316 | 13 | 弹簧垫圈 | SS/SS304/SS316 |
| 6 | 六角螺母 | SS/SS304/SS316 | 14 | 阀杆螺母 | SS/SS304/SS316 |
| 7 | 球 | SS/SS304/SS316 | 15 | 塑料手柄套 | plastic |
| 8 | 阀杆 | SS/SS304/SS316 | - | - | - |
相关信息