您当前的位置:首页 / 产品展示 / 不锈钢球阀 / 美标高平台球阀 ANSI high-platform ball valve Q41F-150LB
产品展示
浮动球球阀的结构简单,密封性好,但球体承受工作介质的载荷全部传给了出口密封圈,因此要考虑密封圈材料能否经受得住球体介质的工作载荷,在受到较高压力冲击时,球体可能会发生偏移。这种结构,一般用于中低压球阀。
球阀的主要特点是本身结构紧凑,密封可靠,结构简单,维修方便,密封面与球面常在闭合状态,不易被介质冲蚀,易于操作和维修,适用于水、溶剂、酸和天然气等一般工作介质,而且还适用于工作条件恶劣的介质。该球阀与介质接触部位均为耐腐蚀的不锈钢,这种软密封球阀用于水、溶剂、酸和天然气等一般工作介质,而且还适用于工作条件恶劣的介质,如氧气过氧化氢、硝酸、醋酸、烧碱等腐蚀性介质。软密封不锈钢法兰球阀通常使用在医疗卫生装置、食品机械、化工酸碱腐蚀性装置和管路系统中。
产品详情
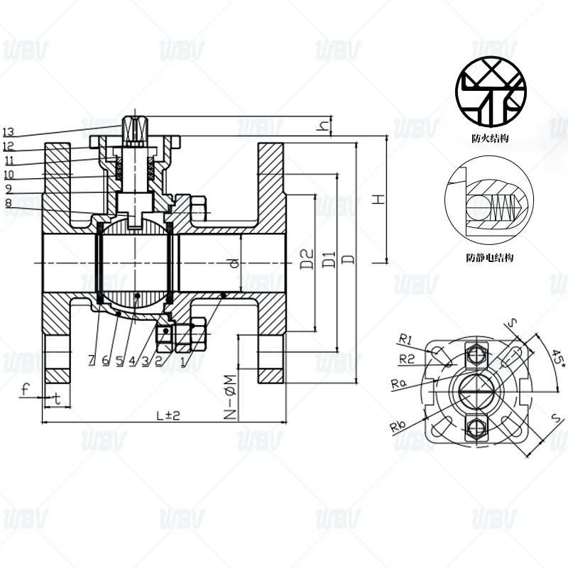
产品图纸

产品尺寸
| NPS | Фd | ФD | ФD1 | ФD2 | T | f | L | W | H | N-ФM | ФB | ФC |
| 1/2“ | 15 | 86 | 61 | 37 | 10 | 1.6 | 108 | 140 | 87 | 4-Ф15 | 5 | 42 |
| 3/4” | 20 | 95 | 70 | 44 | 11 | 1.6 | 117 | 140 | 88 | 4-Ф15 | 5 | 42 |
| 1“ | 25 | 105 | 80 | 53 | 12 | 1.6 | 127 | 165 | 95 | 4-Ф15 | 5 | 50 |
| 1 1/4” | 32 | 117 | 89 | 65 | 13 | 1.6 | 140 | 165 | 100 | 4-Ф15 | 5 | 50 |
| 1 1/2“ | 38 | 124 | 99 | 74 | 15 | 1.6 | 165 | 195 | 105 | 4-Ф15 | 6.5 | 70 |
| 2” | 50 | 148 | 121 | 93 | 16 | 1.6 | 178 | 240 | 117 | 4-Ф19 | 6.5 | 70 |
| 2 1/2“ | 64 | 173 | 140 | 105 | 18 | 1.6 | 190 | 240 | 142 | 4-Ф19 | 8.5 | 102 |
| 3” | 77 | 186 | 153 | 128 | 19 | 1.6 | 203 | 260 | 145 | 4-Ф19 | 8.5 | 102 |
| 4“ | 100 | 224 | 191 | 158 | 24 | 1.6 | 229 | 320 | 170 | 8-Ф19 | 8.5 | 102 |
技术资料
1.设计和制造按ANSI 16.34的规定
2.结构长度按ANSI B16.10的规定
3.法兰尺寸按ANSI B16.15的规定
4.测试按API598的规定
产品零件表
| 序号 | 名称 | 材质 |
| 1 | 阀盖 | WCB/CF8/CF8M |
| 2 | 螺母 | A194 8 |
| 3 | 螺栓 | A193 B8 |
| 4 | 弹性垫圈 | PTFE |
| 5 | 球 | SS/SS304/SS316 |
| 6 | 阀体 | WCB/CF8/CF8M |
| 7 | 阀座 | PTFE |
| 8 | 阀杆 | SS/SS304/SS316 |
| 9 | 止推垫圈 | PTFE |
| 10 | 填料 | PTFE |
| 11 | 填料压盖 | SS/SS304/SS316 |
| 12 | 压盖螺栓 | A193 B8 |
| 13 | 手柄 | WCB/SS |
相关信息