您当前的位置:首页 / 产品展示 / 衬氟阀门 / 衬四氟法兰隔膜阀 fluorine flange diaphragm valve G41F46
产品展示
产品详情
产品图纸

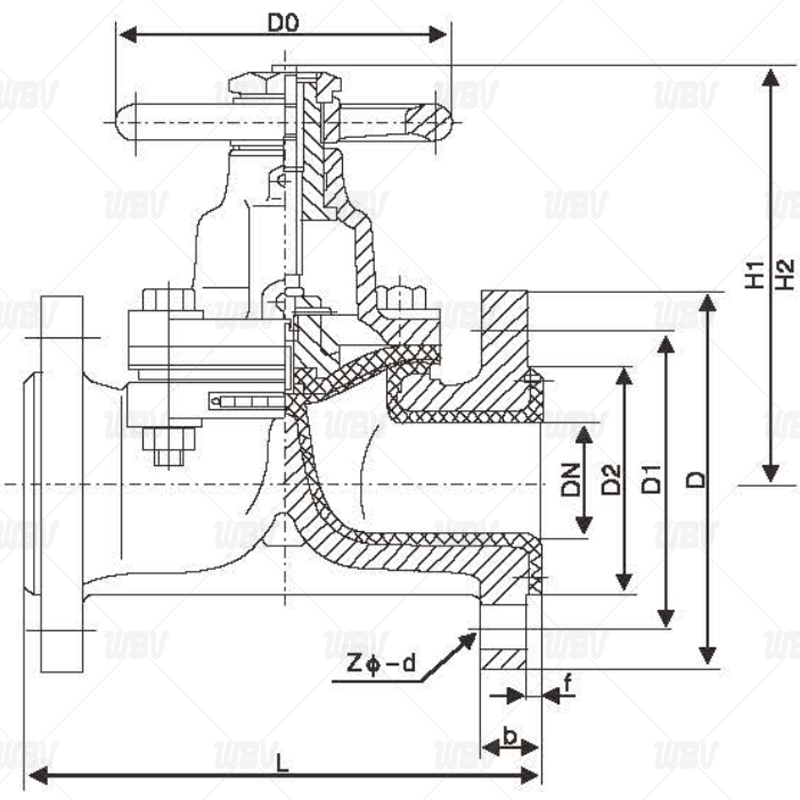
产品尺寸
| 公称通径 | 标准值 | 参考值 | ||||||||||
| DN/mm | NPS/inch | L | D | D1 | D2 | f | b | Z-Фd | D0 | H1 | H2 | W/kg |
| PN10 | ||||||||||||
| 15 | 1/2" | 125 | 95 | 65 | 45 | 2 | 14 | 4-Ф14 | 120 | 105 | 110 | 3.5 |
| 20 | 3/4" | 135 | 105 | 75 | 55 | 2 | 16 | 4-Ф14 | 120 | 115 | 125 | 4 |
| 25 | 1" | 145 | 115 | 85 | 65 | 2 | 16 | 4-Ф14 | 120 | 120 | 135 | 4 |
| 32 | 1 1/4" | 160 | 140 | 100 | 75 | 2 | 18 | 4-Ф18 | 140 | 125 | 150 | 8 |
| 40 | 1 1/2" | 180 | 150 | 110 | 85 | 3 | 18 | 4-Ф18 | 160 | 135 | 175 | 8.5 |
| 50 | 2" | 210 | 165 | 125 | 100 | 3 | 18 | 4-Ф18 | 160 | 155 | 195 | 11 |
| 65 | 2 1/2" | 250 | 185 | 145 | 120 | 3 | 18 | 4-Ф18 | 200 | 170 | 200 | 18 |
| 80 | 3" | 300 | 200 | 160 | 135 | 3 | 20 | 4/8-Ф18 | 220 | 200 | 255 | 29 |
| 100 | 4" | 350 | 220 | 180 | 155 | 3 | 20 | 8-Ф18 | 240 | 270 | 325 | 31 |
| 125 | 5" | 400 | 250 | 210 | 185 | 3 | 22 | 8-Ф18 | 320 | 335 | 405 | 70 |
| 150 | 6" | 460 | 285 | 240 | 210 | 3 | 22 | 8-Ф22 | 350 | 370 | 450 | 95 |
| 200 | 8" | 570 | 340 | 295 | 265 | 3 | 24 | 8-Ф22 | 400 | 480 | 600 | 170 |
| 250 | 10" | 680 | 395 | 350 | 320 | 3 | 26 | 12-Ф22 | 450 | 545 | 620 | 270 |
| 300 | 12" | 790 | 445 | 400 | 368 | 4 | 26 | 12-Ф22 | 500 | 585 | 680 | 320 |
| DN/mm | NPS/inch | L | D | D1 | D2 | f | b | Z-Фd | D0 | H1 | H2 | W/kg |
| PN16 | ||||||||||||
| 15 | 1/2" | 125 | 95 | 65 | 45 | 2 | 14 | 4-Ф14 | 120 | 110 | 115 | 4 |
| 20 | 3/4" | 135 | 105 | 75 | 55 | 2 | 16 | 4-Ф14 | 120 | 120 | 130 | 5 |
| 25 | 1" | 145 | 115 | 85 | 65 | 2 | 16 | 4-Ф14 | 120 | 125 | 140 | 6 |
| 32 | 1 1/4" | 160 | 140 | 100 | 75 | 2 | 18 | 4-Ф18 | 140 | 130 | 155 | 9 |
| 40 | 1 1/2" | 180 | 150 | 110 | 85 | 3 | 18 | 4-Ф18 | 160 | 140 | 180 | 12 |
| 50 | 2" | 210 | 165 | 125 | 100 | 3 | 18 | 4-Ф18 | 160 | 160 | 200 | 15 |
| 65 | 2 1/2" | 250 | 185 | 145 | 120 | 3 | 18 | 4-Ф18 | 200 | 175 | 205 | 24 |
| 80 | 3" | 300 | 200 | 160 | 135 | 3 | 20 | 8-Ф18 | 220 | 205 | 260 | 30 |
| 100 | 4" | 350 | 220 | 180 | 155 | 3 | 20 | 8-Ф18 | 240 | 275 | 330 | 48 |
| 125 | 5" | 400 | 250 | 210 | 185 | 3 | 22 | 8-Ф18 | 320 | 340 | 410 | 75 |
| 150 | 6" | 460 | 285 | 240 | 210 | 3 | 22 | 8-Ф22 | 350 | 375 | 460 | 105 |
| 200 | 8" | 570 | 340 | 295 | 265 | 3 | 24 | 12-Ф22 | 400 | 485 | 605 | 182 |
| 250 | 10" | 680 | 405 | 355 | 320 | 3 | 26 | 12-Ф26 | 450 | 550 | 625 | 295 |
| 300 | 12" | 790 | 460 | 410 | 375 | 4 | 26 | 12-Ф26 | 500 | 590 | 685 | 345 |
技术资料
1.执行标准GB/T12239-2008
2.结构长度标准HG/T3704-2003
3.法兰尺寸标准GB/T9113-2010
4.压力试验标准GB/T13927-2022
产品零件表
| 名称 | 灰铸铁 | 碳钢 | 不锈钢 | 超低碳不锈钢 | ||
| Z | C | P | R | PL | RL | |
| 阀体/阀盖/阀瓣 | HT250 | WCB | CF8 | CF8M | CF3 | CF3M |
| 阀杆 | 35 | 1Cr13 | 1Cr18Ni9 | 1Cr18Ni12Mo2Ti | 00Cr18Ni10 | 00Cr17Ni14Mo2 |
| 衬里层 | FEP(F46) PCTFE(F3) PFA(可溶性聚四氟乙烯) PO(聚烯烃) | |||||
| 隔膜 | FEP(F46)/CR(氯丁橡胶) PFA(可溶性聚四氟乙烯)/EPDM(乙丙橡胶) | |||||
| 阀杆螺母 | QT500 | |||||
| 螺栓 | 35 | 35 | 1Cr17Ni2 | 1Cr17Ni2 | 1Cr17Ni2 | 1Cr17Ni9Ti |
| 螺母 | 45 | 45 | 0Cr18Ni9 | 0Cr18Ni9 | 0Cr18Ni9 | 0Cr18Ni9 |
| 手轮 | KTH330 | |||||
相关信息