产品展示
产品详情
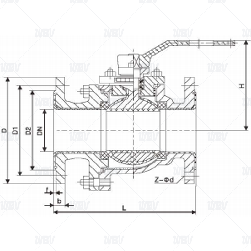
产品图纸

产品尺寸
| 公称通径 | 标准值/mm | 参考值/mm | |||||||||
| DN/mm | NPS/inch | L | D | D1 | D2 | f | b | Z-Фd | D0 | H | W/kg |
| PN10 | |||||||||||
| 15 | 1/2" | 140 | 95 | 65 | 45 | 2 | 16 | 4-Ф14 | 120 | 80 | 3.5 |
| 20 | 3/4" | 140 | 105 | 75 | 55 | 2 | 18 | 4-Ф14 | 140 | 90 | 4 |
| 25 | 1" | 150 | 115 | 85 | 65 | 2 | 18 | 4-Ф14 | 160 | 100 | 4.5 |
| 32 | 1 1/4" | 165 | 140 | 100 | 78 | 2 | 18 | 4-Ф18 | 160 | 110 | 6.5 |
| 40 | 1 1/2" | 180 | 150 | 110 | 85 | 2 | 18 | 4-Ф18 | 200 | 120 | 8 |
| 50 | 2" | 200 | 165 | 125 | 100 | 3 | 18 | 4-Ф18 | 250 | 135 | 10 |
| 65 | 2 1/2" | 220 | 185 | 145 | 120 | 3 | 18 | 8-Ф18 | 300 | 145 | 15 |
| 80 | 3" | 250 | 200 | 160 | 135 | 3 | 20 | 8-Ф18 | 350 | 185 | 20 |
| 100 | 4" | 280 | 220 | 180 | 155 | 3 | 20 | 8-Ф18 | 240 | 195 | 25 |
| 125 | 5" | 320 | 250 | 210 | 185 | 3 | 22 | 8-Ф18 | 500 | 210 | 38 |
| 150 | 6" | 360 | 285 | 240 | 210 | 3 | 22 | 8-Ф22 | 200 | 450 | 55 |
| 200 | 8" | 400 | 340 | 295 | 265 | 3 | 24 | 8-Ф22 | 240 | 490 | 93 |
| 250 | 10" | 450 | 395 | 350 | 320 | 3 | 26 | 12-Ф22 | 240 | 550 | 150 |
| 300 | 12" | 610 | 445 | 400 | 368 | 4 | 26 | 12-Ф22 | 320 | 600 | 320 |
| 350 | 14" | 686 | 505 | 460 | 428 | 4 | 26 | 16-Ф22 | 320 | 675 | 400 |
| 400 | 16" | 762 | 565 | 515 | 482 | 4 | 26 | 16-Ф26 | 360 | 780 | 500 |
| PN16 | |||||||||||
| 15 | 1/2" | 140 | 95 | 65 | 45 | 2 | 16 | 4-Ф14 | 120 | 80 | 3.5 |
| 20 | 3/4" | 140 | 105 | 75 | 55 | 2 | 18 | 4-Ф14 | 140 | 90 | 4 |
| 25 | 1" | 150 | 115 | 85 | 65 | 2 | 18 | 4-Ф14 | 160 | 100 | 4.5 |
| 32 | 1 1/4" | 165 | 140 | 100 | 78 | 2 | 18 | 4-Ф18 | 160 | 110 | 6.5 |
| 40 | 1 1/2" | 180 | 150 | 110 | 85 | 2 | 18 | 4-Ф18 | 200 | 120 | 8 |
| 50 | 2" | 200 | 165 | 125 | 100 | 3 | 18 | 4-Ф18 | 250 | 135 | 10 |
| 65 | 2 1/2" | 220 | 185 | 145 | 120 | 3 | 18 | 8-Ф18 | 300 | 145 | 15 |
| 80 | 3" | 250 | 200 | 160 | 135 | 3 | 20 | 8-Ф18 | 350 | 185 | 20 |
| 100 | 4" | 280 | 220 | 180 | 155 | 3 | 20 | 8-Ф18 | 240 | 195 | 25 |
| 125 | 5" | 320 | 250 | 210 | 185 | 3 | 22 | 8-Ф18 | 500 | 210 | 38 |
| 150 | 6" | 360 | 285 | 240 | 210 | 3 | 22 | 8-Ф23 | 200 | 450 | 55 |
| 200 | 8" | 400 | 340 | 295 | 265 | 3 | 24 | 12-Ф23 | 240 | 490 | 93 |
| 250 | 10" | 450 | 405 | 355 | 320 | 3 | 26 | 12-Ф25 | 240 | 550 | 150 |
| 300 | 12" | 610 | 460 | 410 | 375 | 4 | 28 | 12-Ф25 | 320 | 600 | 320 |
| 350 | 14" | 686 | 520 | 470 | 435 | 4 | 30 | 16-Ф25 | 320 | 675 | 400 |
| 400 | 16" | 762 | 580 | 525 | 485 | 4 | 32 | 16-Ф30 | 360 | 780 | 500 |
| PN25 | |||||||||||
| 15 | 1/2" | 140 | 95 | 65 | 45 | 2 | 16 | 4-Ф14 | 120 | 80 | 3.5 |
| 20 | 3/4" | 140 | 105 | 75 | 55 | 2 | 18 | 4-Ф14 | 140 | 90 | 4 |
| 25 | 1" | 150 | 115 | 85 | 65 | 2 | 18 | 4-Ф14 | 160 | 100 | 4.5 |
| 32 | 1 1/4" | 165 | 140 | 100 | 78 | 2 | 18 | 4-Ф18 | 160 | 110 | 6.5 |
| 40 | 1 1/2" | 180 | 150 | 110 | 85 | 2 | 18 | 4-Ф18 | 200 | 120 | 8 |
| 50 | 2" | 200 | 165 | 125 | 100 | 3 | 20 | 4-Ф18 | 250 | 135 | 10 |
| 65 | 2 1/2" | 220 | 185 | 145 | 120 | 3 | 22 | 8-Ф18 | 300 | 145 | 15 |
| 80 | 3" | 250 | 200 | 160 | 135 | 3 | 24 | 8-Ф18 | 300 | 185 | 20 |
| 100 | 4" | 280 | 235 | 190 | 160 | 3 | 24 | 8-Ф22 | 200 | 195 | 25 |
| 125 | 5" | 320 | 270 | 220 | 188 | 3 | 26 | 8-Ф26 | 200 | 210 | 38 |
| 150 | 6" | 360 | 300 | 250 | 218 | 3 | 28 | 8-Ф26 | 200 | 450 | 55 |
| 200 | 8" | 400 | 360 | 310 | 278 | 3 | 30 | 12-Ф26 | 240 | 495 | 93 |
| 250 | 10" | 450 | 425 | 370 | 332 | 3 | 32 | 12-Ф30 | 280 | 555 | 150 |
| 300 | 12" | 610 | 485 | 430 | 390 | 4 | 34 | 12-Ф30 | 320 | 605 | 320 |
| 350 | 14" | 686 | 555 | 490 | 448 | 4 | 38 | 16-Ф33 | 320 | 685 | 400 |
技术资料
1.执行标准GB/T 12237-2021
2.结构长度标准GB/T 12221-2005,JB 1686(DB32-150)
3.法兰尺寸标准GB/T 9124.1-2019(或按合同标准)
4.压力试验标准GB/T 13927-2022
5.压力试验标准GB/T 12220-2015
6.供货标准GB/T 12252-2015
产品零件表
| 序号 | 名称 | 灰铸铁 | 碳钢 | 不锈钢 | 超低碳不锈钢 | ||
| Z | C | P | R | PL | RL | ||
| 1 | 阀体,阀盖 | HT250 | WCB | CF8 | CF8M | CF3 | CF3M |
| 2 | 球 | WCB | WCB | CF8 | CF8M | CF3 | CF3M |
| 3 | 衬里层/阀座 | PFA(可溶性聚四氟乙烯) | |||||
| 4 | 填料压盖 | HT250 | WCB | CF8 | CF8M | CF3 | CF3M |
| 5 | 填料 | PTFE(F4)聚四氟乙烯 | |||||
| 6 | 螺栓 | 35 | 35 | 1Cr17Ni2 | 1Cr17Ni2 | 1Cr18Ni9 | 1Cr18Ni9 |
| 7 | 螺母 | 45 | 45 | 0Cr18Ni9 | 0Cr18Ni9 | 0Cr18Ni9 | 0Cr18Ni9 |
| 8 | 手柄 | WCB | WCC | WCC | WCC | WCC | WCC |
上一条:放料球阀 discharge ball valve FQ41F46-10
下一条:化工部法兰衬氟球阀CCC认证 HG flange fluorine lined ball valve.3C Q41F46 模压/注塑
相关信息