您当前的位置:首页 / 产品展示 / 衬氟阀门 / 衬四氟对夹蝶阀 fluorine wafer butterfly valve D371F46-16
产品展示
产品详情
产品图纸

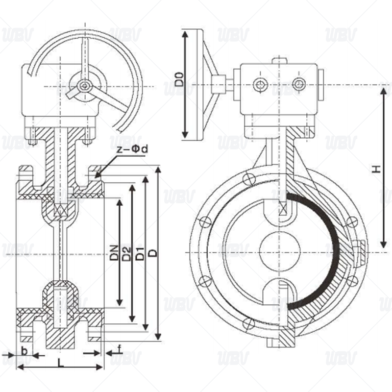
产品尺寸
| 公称通径 | 主要尺寸 | 参考值 | |||||||||
| DN/mm | NPS/inch | L | D | D1 | D2 | f | b | Z-Фd | D0 | H | W/Kg |
| 40 | 1 1/2" | 33 | 150 | 110 | 85 | 3 | 18 | 4-Ф18 | 200 | 145 | 5 |
| 50 | 2" | 43 | 165 | 125 | 100 | 3 | 18 | 4-Ф18 | 250 | 150 | 5.5 |
| 65 | 2 1/2" | 46 | 185 | 145 | 120 | 3 | 18 | 4/8-Ф18 | 250 | 160 | 6.5 |
| 80 | 3" | 46 | 200 | 160 | 135 | 3 | 20 | 8-Ф18 | 250 | 170 | 8 |
| 100 | 4" | 52 | 220 | 180 | 155 | 3 | 20 | 8-Ф18 | 300 | 185 | 9 |
| 125 | 5" | 56 | 250 | 210 | 185 | 3 | 22 | 8-Ф18 | 300 | 210 | 12.5 |
| 150 | 6" | 56 | 285 | 240 | 210 | 3 | 22 | 8-Ф22 | 200* | 230 | 15 |
| 200 | 8" | 60 | 340 | 295 | 265 | 3 | 24 | 12-Ф22 | 200* | 285 | 23 |
| 250 | 10" | 68 | 405 | 355 | 320 | 3 | 26 | 12-Ф26 | 240* | 325 | 32 |
| 300 | 12" | 78 | 460 | 410 | 375 | 4 | 28 | 12-Ф26 | 240* | 360 | 45 |
| 350 | 14" | 78 | 520 | 470 | 435 | 4 | 30 | 16-Ф26 | 280* | 430 | 70 |
| 400 | 16" | 102 | 580 | 525 | 485 | 4 | 32 | 16-Ф30 | 280* | 475 | 90 |
| 450 | 18" | 114 | 640 | 585 | 545 | 4 | 40 | 20-Ф30 | 320* | 525 | 110 |
| 500 | 20" | 127 | 715 | 650 | 608 | 4 | 44 | 20-Ф33 | 320* | 565 | 135 |
| 600 | 24" | 154 | 840 | 770 | 718 | 5 | 54 | 20-Ф36 | 360* | 620 | 200 |
| 700 | 28" | 165 | 910 | 840 | 788 | 5 | 42 | 24-Ф36 | 360* | 686 | 315 |
| 800 | 32" | 190 | 1025 | 950 | 898 | 5 | 42 | 24-Ф39 | 380* | 815 | 385 |
| 900 | 36" | 203 | 1125 | 1050 | 998 | 5 | 44 | 28-Ф39 | 400* | 1010 | 420 |
| 1000 | 40" | 216 | 1255 | 1170 | 1110 | 5 | 46 | 28-Ф42 | 400* | 1185 | 620 |
DN80螺栓孔执行JB78标准时Z=4,其他标准时Z=8
技术资料
1.执行标准GB/T 12238-2008
2.结构长度标准GB/T 12221-2005 ASME B16.10 JIS B2002
3.法兰尺寸标准GB/T 9124.1-2019 ANSI B16.5 JIS B2212(或按合同标准)
4.压力试验标准GB/T 13927-2022 API 598
产品零件表
| 序号 | 零件名称 | 灰铸铁 | 碳钢 | 不锈钢 | 超低碳不锈钢 | ||
| Z | C | P | R | PL | RL | ||
| 1 | 上下阀体 | HT250 | WCB | CF8 | CF8M | CF3 | CF3M |
| 2 | 蝶板 | WCB | 35(锻) | CF8 | CF8M | CF3 | CF3M |
| 3 | 蝶板轴 | 1Cr13 | 2Cr13 | 1Cr18Ni | 1Cr18Ni12Mo2Ti | 00Cr18Ni10 | 00Cr17Ni14Mo2 |
| 4 | 衬里层/阀座 | PCTFE(F3) PTFE(F4) FEP(F46) PFA(可溶性聚四氟乙烯) PO(聚烯烃) | |||||
| 5 | O型圈 | FPM(氟橡胶) | |||||
| 6 | 弹性条/垫 | SiR(硅橡胶) | |||||
| 7 | 调节定位座 | 0Cr18Ni9 | 0Cr18Ni9 | 1Cr18Ni9 | 1Cr18Ni12Mo2Ti | 00Cr18Ni10 | 00Cr17Ni14Mo2 |
| 8 | 螺栓 | 35 | 35 | 1Cr17Ni2 | 1Cr17Ni2 | 1Cr18Ni9Ti | 1Cr18Ni9Ti |
| 9 | 螺母 | 45 | 45 | 0Cr18Ni9 | 0Cr18Ni9 | 0Cr18Ni9 | 0Cr18Ni9 |
| 10 | 手柄蜗轮箱 | ZL101(铸铁铝合金) | |||||
相关信息