您当前的位置:首页 / 产品展示 / 衬氟阀门 / 衬四氟法兰直通视镜 flange fluorine through endoscopic SJ41F46
产品展示
产品详情
产品图纸

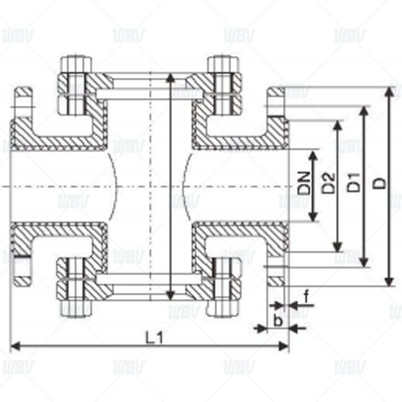
产品尺寸
| 公称通径 | 主要尺寸 | 参考值 | |||||||
| mm | inch | L1 | D | D1 | D2 | f | b | Z-Фd | H |
| PN6 | |||||||||
| 15 | 1/2" | 200 | 80 | 55 | 40 | 3 | 14 | 4-Ф11 | 160 |
| 20 | 3/4" | 200 | 90 | 65 | 50 | 3 | 16 | 4-Ф11 | 160 |
| 25 | 1" | 230/250 | 100 | 75 | 60 | 3 | 16 | 4-Ф11 | 200 |
| 32 | 1 1/4" | 230/250 | 120 | 90 | 70 | 3 | 17 | 4-Ф14 | 200 |
| 40 | 1 1/2" | 230/250 | 130 | 100 | 80 | 3 | 17 | 4-Ф14 | 200 |
| 50 | 2" | 230/250 | 140 | 110 | 90 | 3 | 17 | 4-Ф14 | 200 |
| 65 | 2 1/2" | 240/250 | 160 | 130 | 110 | 3 | 17 | 4-Ф14 | 220 |
| 80 | 3" | 240/250 | 190 | 150 | 125 | 3 | 19 | 4-Ф18 | 220 |
| 100 | 4" | 240/250 | 210 | 170 | 145 | 3 | 20 | 4-Ф18 | 220 |
| 125 | 5" | 440/250 | 240 | 200 | 175 | 4 | 20 | 8-Ф18 | 240 |
| 150 | 6" | 440/250 | 265 | 225 | 200 | 4 | 22 | 8-Ф18 | 300 |
| 200 | 8" | 480 | 320 | 280 | 255 | 4 | 24 | 8-Ф18 | 300 |
| PN10 | |||||||||
| 15 | 1/2" | 200 | 95 | 65 | 45 | 3 | 16 | 4-Ф14 | 160 |
| 20 | 3/4" | 200 | 105 | 75 | 55 | 3 | 18 | 4-Ф14 | 160 |
| 25 | 1" | 230/250 | 115 | 85 | 65 | 3 | 18 | 4-Ф14 | 200 |
| 32 | 1 1/4" | 230/250 | 140 | 100 | 75 | 3 | 18 | 4-Ф18 | 200 |
| 40 | 1 1/2" | 230/250 | 150 | 110 | 85 | 3 | 18 | 4-Ф18 | 200 |
| 50 | 2" | 230/250 | 165 | 125 | 100 | 3 | 18 | 4-Ф18 | 200 |
| 65 | 2 1/2" | 240/250 | 185 | 145 | 120 | 3 | 18 | 4-Ф18 | 220 |
| 80 | 3" | 240/250 | 200 | 160 | 135 | 3 | 20 | 8-Ф18 | 220 |
| 100 | 4" | 240/250 | 220 | 180 | 155 | 3 | 20 | 8-Ф18 | 220 |
| 125 | 5" | 440/250 | 250 | 210 | 185 | 4 | 22 | 8-Ф18 | 240 |
| 150 | 6" | 440/250 | 285 | 240 | 210 | 4 | 22 | 8-Ф22 | 300 |
| 200 | 8" | 480 | 340 | 295 | 265 | 4 | 24 | 8-Ф22 | 300 |
| PN16 | |||||||||
| 15 | 1/2" | 200 | 95 | 65 | 45 | 3 | 16 | 4-Ф14 | 160 |
| 20 | 3/4" | 200 | 105 | 75 | 55 | 3 | 18 | 4-Ф14 | 160 |
| 25 | 1" | 230/250 | 115 | 85 | 65 | 3 | 18 | 4-Ф14 | 200 |
| 32 | 1 1/4" | 230/250 | 140 | 100 | 75 | 3 | 18 | 4-Ф18 | 200 |
| 40 | 1 1/2" | 230/250 | 150 | 110 | 85 | 3 | 18 | 4-Ф18 | 200 |
| 50 | 2" | 230/250 | 165 | 125 | 100 | 3 | 18 | 4-Ф18 | 200 |
| 65 | 2 1/2" | 240/250 | 185 | 145 | 120 | 3 | 18 | 4-Ф18 | 220 |
| 80 | 3" | 240/250 | 200 | 160 | 135 | 3 | 20 | 8-Ф18 | 220 |
| 100 | 4" | 240/250 | 220 | 180 | 155 | 3 | 20 | 8-Ф18 | 220 |
| 125 | 5" | 440/250 | 250 | 210 | 185 | 4 | 22 | 8-Ф18 | 240 |
| 150 | 6" | 440/250 | 285 | 240 | 210 | 4 | 22 | 8-Ф22 | 300 |
| 200 | 8" | 480 | 340 | 295 | 265 | 4 | 24 | 12-Ф22 | 300 |
技术资料
1.执行标准GB/T 12237-2021
2.结构长度标准HG/T 3704-2003
3.法兰尺寸标准GB/T 9113-2010 ANSI 16.5a
4.压力试验标准GB/T 13927-2022 API 598-2023
产品零件表
| 名称 | 碳钢 | 不锈钢 | |||
| C | P | R | PL | RL | |
| 壳体 | WCB | CF8 | CF8M | CF3 | CF3M |
| 玻璃 | 硼硅玻璃 钢化玻璃 石英玻璃 | ||||
| 内衬材料 | PTFE(F4) FEP(F46) PFA(可溶性聚四氟乙烯) PO(聚烯烃) PE(超高分子量聚乙烯) | ||||
| 垫片 | PTFE(F4)聚四氟乙烯 | ||||
| 螺栓 | 35 | 1Cr17Ni2 | 1Cr17Ni2 | 1Cr18Ni9 | 1Cr18Ni9 |
| 螺母 | 45 | 0Cr18Ni9 | 0Cr18Ni9 | 0Cr18Ni9 | 0Cr18Ni9 |
相关信息