您当前的位置:首页 / 产品展示 / 水力控制阀 / 球墨铸铁水泵控制阀 SG iron pump control valve SK700X-10/16/25Q
产品展示
球墨铸铁水泵控制阀是一种安装在水泵出口处,防止介质倒流的逆止类阀门。当水泵即将停止供水前,阀门先行缓慢关闭90%左右,防止突然停泵而产生的水锤和水击声,当水泵停止后,阀门在关闭,防止泵出的水回流,有效地保护水泵,免受回流的冲击而产生反转。该产品是水泵出口的保护装置。阀门呈流线型设计,通过电磁阀的导控实现准确的启闭,使用可靠,有效地防止水锤和水击声,使用寿命长,安装,维修方便。
当水泵工作,通过阀门开始供水时,首先电磁阀通电打开,水经针阀、止回阀(一)进入主阀控制室,经电磁阀,球阀流这一路到出口,主阀膜片上腔压力降低。另一路由于导管上的止回阀(二)关闭,介质无法流出。在膜片上下腔压力差作用下,主阀芯开启,开始正常供水。
需要停止供水时,电磁阀关闭,主阀膜片上腔停止排水,控制室压力升高,主阀芯开始关闭。当关闭至90%时,主阀上部行程开关输出停泵信号,水泵停止运转。此时下游回水经止回阀(二)进入主阀控制室,由于止回阀(一)关闭,膜片上腔介质无法流出,制室压力升高,主阀逐渐关闭。
产品详情
产品图纸

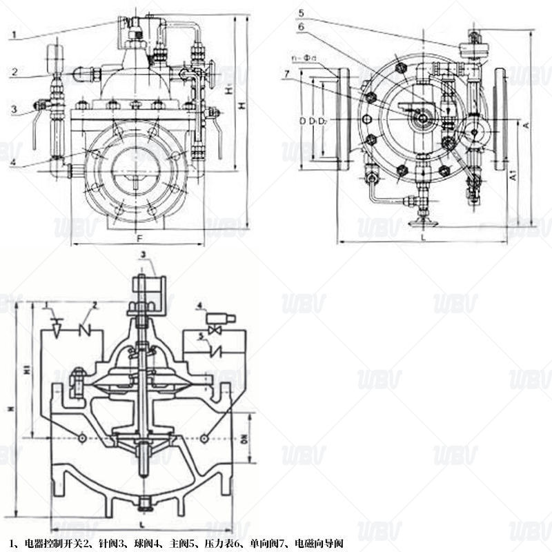
产品尺寸
| DN | L | A | A1 | H | H1 | F | D | D1 | D2 | n-Фd | ||||||||
| PN1.0 | PN1.6 | PN2.5 | PN1.0 | PN1.6 | PN2.5 | PN1.0 | PN1.6 | PN2.5 | PN1.0 | PN1.6 | PN2.5 | |||||||
| 20 | 180 | 194 | 136 | 342 | 250 | 116 | 105 | 105 | 105 | 75 | 75 | 75 | 58 | 58 | 56 | 4-13.5 | 4-13.5 | 4-14 |
| 25 | 180 | 194 | 136 | 342 | 250 | 116 | 115 | 115 | 115 | 85 | 85 | 85 | 68 | 68 | 65 | 4-13.5 | 4-13.5 | 4-14 |
| 32 | 180 | 194 | 136 | 342 | 250 | 116 | 140 | 140 | 140 | 100 | 100 | 100 | 78 | 78 | 76 | 4-17.5 | 4-17.5 | 4-18 |
| 40 | 240 | 240 | 155 | 395 | 278 | 170 | 150 | 150 | 150 | 110 | 110 | 110 | 88 | 88 | 84 | 4-17.5 | 4-17.5 | 4-18 |
| 50 | 240 | 240 | 155 | 395 | 278 | 170 | 165 | 165 | 165 | 125 | 125 | 125 | 102 | 102 | 99 | 4-17.5 | 4-17.5 | 4-18 |
| 65 | 255 | 255 | 165 | 405 | 298 | 180 | 185 | 185 | 185 | 145 | 145 | 145 | 122 | 122 | 118 | 4-17.5 | 4-17.5 | 8-18 |
| 80 | 280 | 280 | 175 | 430 | 315 | 210 | 200 | 200 | 200 | 160 | 160 | 160 | 133 | 133 | 132 | 8-17.5 | 8-17.5 | 8-18 |
| 100 | 360 | 332 | 195 | 510 | 350 | 275 | 220 | 220 | 235 | 180 | 180 | 190 | 158 | 158 | 156 | 8-17.5 | 8-17.5 | 8-22 |
| 125 | 400 | 375 | 220 | 560 | 365 | 310 | 250 | 250 | 270 | 210 | 210 | 220 | 184 | 184 | 184 | 8-17.5 | 8-17.5 | 8-26 |
| 150 | 455 | 408 | 230 | 585 | 420 | 355 | 285 | 285 | 300 | 240 | 240 | 250 | 212 | 212 | 211 | 8-22 | 8-22 | 8-26 |
| 200 | 585 | 485 | 255 | 675 | 450 | 460 | 340 | 340 | 360 | 295 | 295 | 310 | 268 | 268 | 274 | 8-22 | 12-22 | 12-26 |
| 250 | 650 | 550 | 300 | 730 | 470 | 500 | 395 | 405 | 425 | 350 | 355 | 370 | 320 | 320 | 330 | 12-22 | 12-26 | 12-30 |
| 300 | 800 | 630 | 340 | 760 | 490 | 580 | 445 | 460 | 485 | 400 | 410 | 430 | 370 | 370 | 389 | 12-22 | 12-26 | 16-30 |
| 350 | 860 | 735 | 415 | 840 | 526 | 640 | 505 | 520 | 555 | 460 | 470 | 490 | 430 | 430 | 448 | 16-22 | 16-26 | 16-33 |
| 400 | 960 | 788 | 430 | 910 | 570 | 715 | 565 | 580 | 620 | 515 | 525 | 550 | 482 | 482 | 503 | 16-26 | 16-30 | 16-36 |
| 450 | 1075 | 850 | 460 | 1070 | 610 | 780 | 615 | 640 | 670 | 565 | 585 | 600 | 532 | 550 | 548 | 20-26 | 20-30 | 20-36 |
| 500 | 1075 | 905 | 490 | 1135 | 665 | 830 | 670 | 715 | 730 | 620 | 650 | 660 | 585 | 585 | 609 | 20-26 | 20-33 | 20-36 |
| 600 | 1230 | 970 | 530 | 1270 | 725 | 920 | 780 | 840 | 845 | 725 | 770 | 770 | 685 | 685 | 720 | 20-30 | 20-36 | 20-39 |
| 700 | 1650 | 1050 | 560 | 1460 | 865 | 980 | 895 | 910 | 960 | 840 | 840 | 875 | 800 | 800 | 820 | 24-30 | 24-36 | 24-42 |
| 800 | 1750 | 1135 | 610 | 1640 | 975 | 1050 | 1015 | 1025 | 1085 | 950 | 950 | 990 | 905 | 905 | 928 | 24-33 | 24-39 | 24-48 |
技术资料
1.产品设计标准:CJ/T219-2005
2.结构长度标准:GB/T12221-2005
3.法兰标准:GB/T9113.1-2000
4.试验标准:GB/T13927-2022
产品零件表
| 序号 | 名称 | 材料 | 序号 | 名称 | 材料 |
| 1 | 螺塞 | QT400 | 11 | 吊环 | QT400 |
| 2 | 阀体 | QT400 | 12 | 电磁向导阀 | 组合件 |
| 3 | 阀杆 | 2Cr13 | 13 | 单向止回阀 | H59-1 |
| 4 | 螺母 | H59-1 | 14 | 压簧 | 50CrVA |
| 5 | 密封圈 | NBR | 15 | 行程开关 | 组合件 |
| 6 | 阀盘 | H59-1 | 16 | 单向止回阀 | H59-1 |
| 7 | 膜片压板 | QT400 | 17 | 螺柱、螺母 | H59-1 |
| 8 | 橡胶膜片 | EPDM | 18 | 针形阀 | H59-1 |
| 9 | 球阀 | H59-1 | 19 | 压力表 | 组合件 |
| 10 | 阀盖 | QT400 | 20 | 微型过滤器 | CF8 |
安装与维护
1.主阀应安装于水池或高水位水塔的进水管上,安装方式是水平安装在管线上阀盖朝上,其它安装方式也可达到操作功能。要注意主阀体外的流向标示箭头,依方向安装,安装后应确保没有管路应力作用在阀体及阀内部件上。
2.安装前要清除管道内的杂物,通水前要冲洗管路系统。
3.主阀前要装一只闸阀和一只过滤器,阀后也要装一只闸阀,以便于维修。
4.试水时要慢慢开启主阀前的闸阀慢慢增加压力,同时注意阀体外的控制管路是否漏水。
5.主阀导管上微型过滤器要定期 2~ 3个月清洗一次。
主阀维修说明
水力控制阀本身是一种利用水自润式阀体,无须另加机油润滑,如遇主阀内部零件损坏时,请按下列指示进行拆卸。(注:主阀内一般易损耗品为膜片及○形圈,其它内部金属甚少损坏。)
1.先将主阀前后闸阀关闭。
2.将主阀盖上的配管接头螺丝松开使阀内压力释放掉。
3.将所有螺丝取下,包括控制管路中的必要铜管和螺帽。
4.取下阀盖和弹簧。
5.将轴芯、膜片(活塞)等取下,切勿损伤膜片。
6.将以上各项东西取出后检查膜片及○形圈是否损坏,如无损坏请勿再分解其内部零件。
7.如发现膜片或○形圈有损坏,请将轴芯上螺帽松脱,逐件分解出膜拜片或密封垫,取出后重新换上新的膜片或密封垫。
8.详细检视主阀内部阀座,轴芯是否有损坏,若有其它杂物在主阀内部将其清理出。
9.依反向顺序将更换后零件组合,装好主阀,注意阀门不能有卡阻现象。
10.请参考安装操作顺序重新使用,谢谢合作!
相关信息