您当前的位置:首页 / 产品展示 / 水力控制阀 / 球墨铸铁流量控制阀 SG Iron flow control valve SK400X-10/16/25Q
产品展示
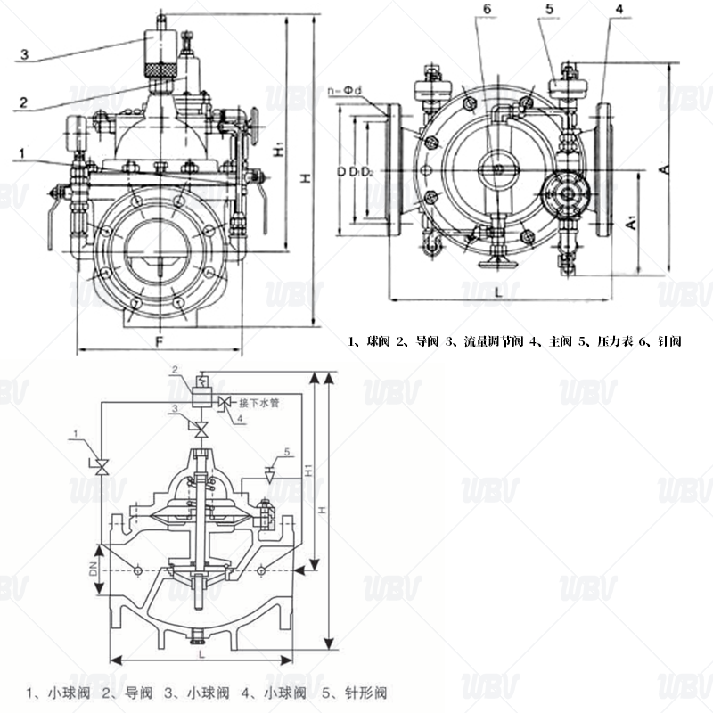
球墨铸铁流量控制阀由主阀、流量调节阀、针阀、导阀、球阀、微形过滤器和压力表组成水力控制接管系统。利用水力自动操作,控制和调节主阀开度,使通过主阀的流量保持不变。
本产品利用水力自力控制,不需要其它装置和能源,保养简便,流量控制稳定。
本系列阀门产品广泛用于高层建筑、生活区等供水管网系统及城市供水工程。
球墨铸铁流量控制阀利用管道自身压力操作,当阀门从进口端给水时,水流过针阀进入主阀控制室,并经过导阀、球阀流出主阀控制室到出口,此时主阀处于全开或浮动状态。调定主阀上部的流量调节阀,可为主阀设定一定开度。调节针阀开度和调节导阀弹簧压力,即可使主阀开度保持在设定开度,并在压力变化时导阀进行自动调节,保持流量不变。
产品详情
产品图纸

产品尺寸
| DN | L | A | A1 | H | H1 | F | D | D1 | D2 | n-Фd | ||||||||
| PN1.0 | PN1.6 | PN2.5 | PN1.0 | PN1.6 | PN2.5 | PN1.0 | PN1.6 | PN2.5 | PN1.0 | PN1.6 | PN2.5 | |||||||
| 20 | 180 | 292 | 136 | 342 | 247 | 116 | 105 | 105 | 105 | 75 | 75 | 75 | 58 | 58 | 56 | 4-13.5 | 4-13.5 | 4-14 |
| 25 | 180 | 292 | 136 | 342 | 247 | 116 | 115 | 115 | 115 | 85 | 85 | 85 | 68 | 68 | 65 | 4-13.5 | 4-13.5 | 4-14 |
| 32 | 180 | 292 | 136 | 342 | 247 | 116 | 140 | 140 | 140 | 100 | 100 | 100 | 78 | 78 | 76 | 4-17.5 | 4-17.5 | 4-18 |
| 40 | 240 | 330 | 155 | 395 | 278 | 170 | 150 | 150 | 150 | 110 | 110 | 110 | 88 | 88 | 84 | 4-17.5 | 4-17.5 | 4-18 |
| 50 | 240 | 330 | 155 | 395 | 278 | 170 | 165 | 165 | 165 | 125 | 125 | 125 | 102 | 102 | 99 | 4-17.5 | 4-17.5 | 4-18 |
| 65 | 250 | 350 | 165 | 405 | 298 | 180 | 185 | 185 | 185 | 145 | 145 | 145 | 122 | 122 | 118 | 4-17.5 | 4-17.5 | 8-18 |
| 80 | 285 | 365 | 175 | 430 | 313 | 210 | 200 | 200 | 200 | 160 | 160 | 160 | 133 | 133 | 132 | 8-17.5 | 8-17.5 | 8-18 |
| 100 | 360 | 410 | 195 | 510 | 350 | 275 | 220 | 220 | 235 | 180 | 180 | 190 | 158 | 158 | 156 | 8-17.5 | 8-17.5 | 8-22 |
| 125 | 400 | 455 | 220 | 560 | 365 | 310 | 250 | 250 | 270 | 210 | 210 | 220 | 184 | 184 | 184 | 8-17.5 | 8-17.5 | 8-26 |
| 150 | 455 | 475 | 230 | 585 | 420 | 355 | 285 | 285 | 300 | 240 | 240 | 250 | 212 | 212 | 211 | 8-22 | 8-22 | 8-26 |
| 200 | 585 | 530 | 255 | 675 | 450 | 460 | 340 | 340 | 360 | 295 | 295 | 310 | 268 | 268 | 274 | 8-22 | 12-22 | 12-26 |
| 250 | 650 | 623 | 300 | 730 | 470 | 500 | 395 | 405 | 425 | 350 | 355 | 370 | 320 | 320 | 330 | 12-22 | 12-26 | 12-30 |
| 300 | 800 | 700 | 340 | 760 | 490 | 580 | 445 | 460 | 485 | 400 | 410 | 430 | 370 | 370 | 389 | 12-22 | 12-26 | 16-30 |
| 350 | 860 | 840 | 415 | 840 | 526 | 640 | 505 | 520 | 555 | 460 | 470 | 490 | 430 | 430 | 448 | 16-22 | 16-26 | 16-33 |
| 400 | 960 | 880 | 430 | 910 | 570 | 715 | 565 | 580 | 620 | 515 | 525 | 550 | 482 | 482 | 503 | 16-26 | 16-30 | 16-36 |
| 450 | 1075 | 930 | 460 | 1030 | 610 | 780 | 615 | 640 | 670 | 565 | 585 | 600 | 532 | 550 | 548 | 20-26 | 20-30 | 20-36 |
| 500 | 1075 | 980 | 490 | 1135 | 665 | 830 | 670 | 715 | 730 | 620 | 650 | 660 | 585 | 585 | 609 | 20-26 | 20-33 | 20-36 |
| 600 | 1230 | 1060 | 530 | 1270 | 725 | 920 | 780 | 840 | 845 | 725 | 770 | 770 | 685 | 685 | 720 | 20-30 | 20-36 | 20-39 |
| 700 | 1650 | 1130 | 560 | 1460 | 865 | 980 | 895 | 910 | 960 | 840 | 840 | 875 | 800 | 800 | 820 | 24-30 | 24-36 | 24-42 |
| 800 | 1750 | 1250 | 610 | 1640 | 975 | 1050 | 1015 | 1025 | 1085 | 950 | 950 | 990 | 905 | 905 | 928 | 24-33 | 24-39 | 24-48 |
技术资料
1.产品设计标准:CJ/T219-2005
2.结构长度标准:GB/T12221-2005
3.法兰标准:GB/T9113.1-2000
4.试验标准:GB/T13927-2022
产品零件表
| 序号 | 名称 | 材质 | 序号 | 名称 | 材质 |
| 1 | 阀体 阀盖 | QT400 | 6 | 针型阀 | H59-1 |
| 2 | 阀座 阀盘 | H59-1 | 7 | 球阀 | H59-1 |
| 3 | 密封圈 O型圈 | NBR | 8 | 浮球阀 | H59-1 |
| 4 | 阀杆 | 2Cr13 | 9 | 微型过滤器 | CF8 |
| 5 | 弹簧 | 50CrVA | - | - | - |
不锈钢流量控制阀选用要点
( 1 )工程式中应用的水力控制阀是经过制造厂检验合格,各种标识齐全,技术资料符合要求的产品。
( 2 )根据功能要求,选择阀门种类,再根据管道输送介质、温度、建筑标准和业主要求等,确定阀门的阀体和密封部位的材质。常用的阀 体材料有铸铁 、铜铁、铜、塑料等。常用的密封面和衬里材料有铜合金、塑料、钢、硬质合金、橡胶等。阀 体材料应与管道材料相匹配。
( 3 )阀门的公称压力有0.6、1.0、1.6、2.5和4.0MPa等不同级别,管道输送的介质,其工作压力应小于阀门的公称压力值。
( 4 )工程中水力控制阀的设置应当有足够的空间,以便管理、操作、安装和维修,并应符合管路对阀门的要求。
( 5 )管路采用法兰连接时,应采用法兰连接的水力控制阀;管路采用沟槽式连接时,应采用沟槽式连接的水力控制阀。
( 6 )水利控制阀应设置在介质单向流动的管路上。
( 7 )水利控制阀主阀体上的箭头方向必须与管路系统流向一致。
( 8 )接水力控制阀管段不 应有气堵 、气阻现象。在管网位置 等存气段 应设置自动排气阀。
( 9 )阀门水平安装时,阀盖、阀杆应朝上。垂直安装时,阀盖、阀杆应朝外。
( 10 )阀门安装前应做强度和严密性试验。
( 11 )阀门的强度和严密性试验应符合以下规定。
A、阀门的强度试验压力为公称压力的1.5倍;
B、阀门的严密性试验压力为公称压力的1.5倍;
C、试验压力在试验持续时间内应保持不变,且壳体填料及阀瓣密封面无渗漏;
D、阀门试验持续时间按上表。
相关信息