您当前的位置:首页 / 产品展示 / 全焊接球阀 / 全焊接缩径法兰球阀Q341HF-16/25C CF8球 双极涡轮 防腐蚀漆
产品展示
全焊接球阀,阀门由三段独立的锻压件通过焊接组成一体式而成,确保球阀在允许工况条件下连接阀体无泄漏。产品主要应用于:天然气、石油、水等介质,适用于小区供热、城市燃气、石油化工、钢铁、造船、冶金、发电站、调压站等管道使用。
产品详情
产品图纸


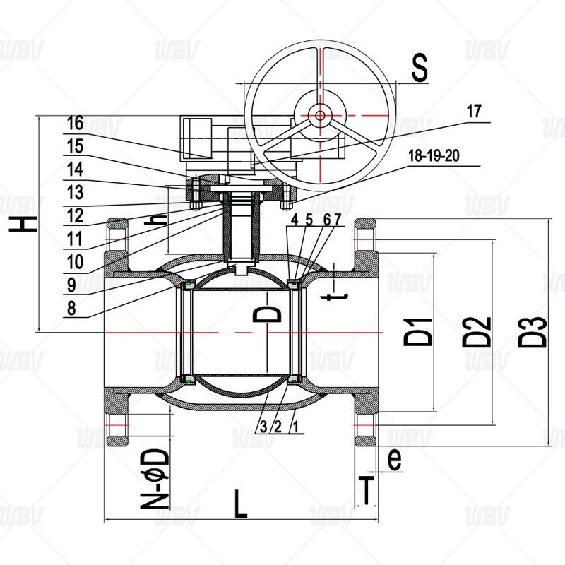
连接尺寸
| DN | PN | L | D | D1 | D2 | D3 | H | h | T-e | N-ØD | S | ISO5211 |
| 100 | 16 | 300 | 80 | 158 | 180 | 220 | 240 | 77 | 22-3 | 8-18 | 200 | F10 |
| 125 | 16 | 325 | 100 | 188 | 210 | 250 | 257 | 82 | 22-3 | 8-18 | 200 | F10 |
| 150 | 16 | 350 | 125 | 212 | 240 | 285 | 270 | 82 | 24-3 | 8-22 | 200 | F10 |
| 200 | 16 | 400 | 150 | 268 | 295 | 340 | 340 | 107 | 26-3 | 12-22 | 250 | F12 |
| 250 | 16 | 530 | 200 | 320 | 355 | 405 | 400 | 117 | 29-3 | 12-26 | 280 | F14 |
| 300 | 16 | 630 | 250 | 378 | 410 | 460 | 500 | 129 | 32-3 | 12-26 | 300 | F16 |
| DN | PN | L | D | D1 | D2 | D3 | H | h | T-e | N-ØD | S | ISO5211 |
| 100 | 25 | 300 | 80 | 162 | 190 | 235 | 240 | 77 | 24-3 | 8-22 | 200 | F10 |
| 125 | 25 | 325 | 100 | 188 | 220 | 270 | 257 | 82 | 26-3 | 8-26 | 200 | F10 |
| 150 | 25 | 350 | 125 | 218 | 250 | 300 | 270 | 82 | 28-3 | 8-26 | 200 | F10 |
| 200 | 25 | 400 | 150 | 278 | 310 | 360 | 340 | 107 | 30-3 | 12-26 | 250 | F12 |
| 250 | 25 | 530 | 200 | 332 | 370 | 425 | 400 | 117 | 32-3 | 12-30 | 280 | F14 |
| 300 | 25 | 630 | 250 | 390 | 430 | 480 | 500 | 129 | 35-3 | 16-30 | 300 | F16 |
蜗杆扭矩
| 公称通径 | DN40 | DN50 | DN65 | DN80 | DN100 | DN125 | DN150 | DN200 | DN250 | DN300 |
| 扭矩/.MI | 35 | 50 | 70 | 90 | 110 | 140 | 160 | 200 | 260 | 310 |
设计依据
1.阀门的设计按Q/320506 FDV01-20132:GB/T 12224-2005《钢制阀门 一般要求》
2.GB/T 12220-1989《通用阀门 标志》
3.GB/T 12223-2005《部分回转阀门驱动装置的连接》
4.JB/T 12006-2014《钢管焊接球阀》
5.GB/T 37827-2019《城镇供热焊接球阀》
6.法兰面标准:GB/T 9113
7.法兰端标准:GB/T 12221-2005
产品零件表
| 序号 | 名称 | 材质 | 序号 | 名称 | 材质 |
| 1 | 体管 | 20# | 11 | 支管 | 20# |
| 2 | 接管 | 20# | 12 | 阀杆O型圈 | 氟塑橡胶FKM |
| 3 | 球 | 304 | 13 | 垫圈 | PTFE+C |
| 4 | 阀座 | PTFE+C | 14 | 填料压盖 | 20# |
| 5 | 阀座O型圈 | 氟塑橡胶FKM | 15 | 轴用弹性挡圈 | 65Mn |
| 6 | 支撑环 | 65Si2Mn | 16 | 驱动装置 | QT450 |
| 7 | 碟簧 | 65Si2Mn | 17 | 平键 | 45号钢 |
| 8 | 阀杆 | 2Cr13 | 18 | 螺柱 | 8.8 |
| 9 | 止推垫 | PTFE+C | 19 | 螺母 | 8 |
| 10 | 轴承 | 低碳钢+PTFE |
相关信息