您当前的位置:首页 / 产品展示 / 全焊接球阀 / 全焊接全通径球阀Q361HF-16/25C 304球 单极蜗轮 防腐蚀漆
产品展示
全焊接球阀,阀门由三段独立的锻压件通过焊接组成一体式而成,确保球阀在允许工况条件下连接阀体无泄漏。产品主要应用于:天然气、石油、水等介质,适用于小区供热、城市燃气、石油化工、钢铁、造船、冶金、发电站、调压站等管道使用。
产品详情
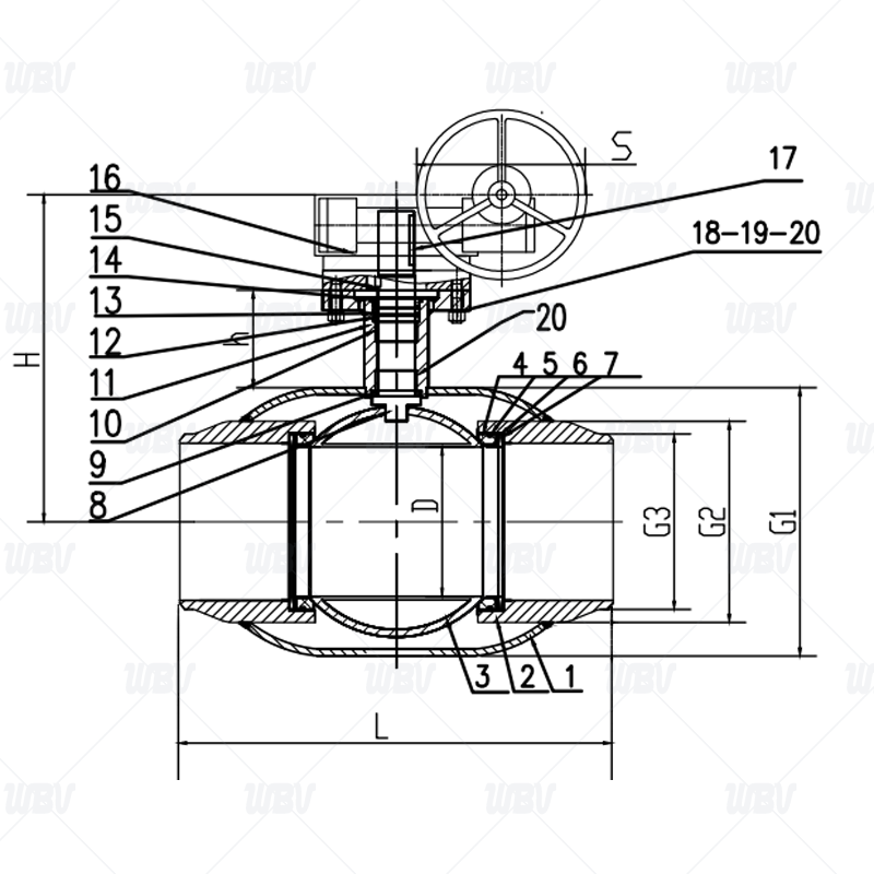
产品图纸


连接尺寸
| DN | PN | L | D | G1 | G2 | G3 | H | h | l | s | ISO5211 |
| 50 | 25 | 300 | 50 | 108 | 76.1 | 60.3 | 169 | 65 | 5 | 140 | |
| 65 | 25 | 300 | 65 | 127 | 88.9 | 76.1 | 177 | 65 | 5 | 160 | |
| 80 | 25 | 325 | 80 | 159 | 114 | 88.9 | 197 | 75 | 6 | 160 | |
| 100 | 25 | 325 | 100 | 194 | 140 | 114 | 212 | 77 | 7 | 200 | |
| 125 | 25 | 350 | 125 | 219 | 159 | 140 | 270 | 82 | 8 | 220 | F10 |
| 150 | 25 | 400 | 150 | 273 | 195 | 168 | 340 | 107 | 8 | 250 | F12 |
| 200 | 25 | 530 | 200 | 357 | 246 | 219 | 400 | 117 | 8 | 300 | F14 |
| 250 | 25 | 620 | 250 | 427 | 298 | 273 | 500 | 129 | 10 | 350 | F16 |
蜗杆扭矩
| 公称尺寸 | DN50 | DN65 | DN80 | DN100 | DN125 | DN150 | DN200 | DN250 | DN300 |
| 扭矩/. | 70 | 90 | 110 | 140 | 160 | 200 | 260 | 310 | 300 |
设计依据
1.阀门的设计按Q/320506 FDV01-20132:GB/T 12224-2005《钢制阀门 一般要求》
2.GB/T 12220-1989《通用阀门 标志》
3.GB/T 12223-2005《部分回转阀门驱动装置的连接》
4.JB/T 12006-2014《钢管焊接球阀》
5.GB/T 37827-2019《城镇供热焊接球阀》
产品零件表
| 序号 | 名称 | 材质 | 序号 | 名称 | 材质 |
| 1 | 体管 | 20# | 11 | 支管 | 20# |
| 2 | 接管 | 20# | 12 | 阀杆O型圈 | 氟塑橡胶FKM |
| 3 | 球 | 304 | 13 | 垫圈 | PTFE+C |
| 4 | 阀座 | PTFE+C | 14 | 填料压盖 | 20# |
| 5 | 阀座O型圈 | 氟塑橡胶FKM | 15 | 轴用弹性挡圈 | 65Mn |
| 6 | 支撑环 | 60Si2Mn | 16 | 驱动装置 | QT450 |
| 7 | 碟簧 | 60Si2Mn | 17 | 平键 | 45号钢 |
| 8 | 阀杆 | 1Cr13 | 18 | 螺柱 | 8.8 |
| 9 | 止推垫 | PTFE+C | 19 | 螺母 | 8 |
| 10 | 轴承 | 低碳钢+PTFE | 20 | 轴承 | 低碳钢+PTFE |
相关信息