您当前的位置:首页 / 产品展示 / 全焊接球阀 / 全焊接缩径法兰球阀Q347HF-16/25C CF8固定球 双极涡轮 防腐蚀漆
产品展示
全焊接球阀,阀门由三段独立的锻压件通过焊接组成一体式而成,确保球阀在允许工况条件下连接阀体无泄漏。产品主要应用于:天然气、石油、水等介质,适用于小区供热、城市燃气、石油化工、钢铁、造船、冶金、发电站、调压站等管道使用。
产品详情
产品图纸


产品尺寸
| DN | PN | L | D | G1 | G2 | G3 | G4 | N-ФD | h | T-e | ISO5211 | S | 备注 |
| 350 | 16 | 686 | 300 | 508 | 428 | 490 | 555 | 16-Ф26 | 130 | 35-3 | F20 | 350 | 双级蜗轮 |
| 400 | 16 | 760 | 350 | 580 | 490 | 550 | 620 | 16-Ф30 | 130 | 38-3 | F20 | 400 | 双级蜗轮 |
| 450 | 16 | 910 | 350 | 580 | 550 | 600 | 670 | 20-Ф30 | 130 | 42-3 | F20 | 400 | 双级蜗轮 |
| 500 | 16 | 990 | 400 | 660 | 610 | 660 | 730 | 20-Ф33 | 135 | 46-3 | F30 | 450 | 双级蜗轮 |
| 600 | 16 | 1140 | 500 | 813 | 725 | 770 | 840 | 20-Ф33 | 135 | 52-3 | F30 | 500 | 双级蜗轮 |
| 350 | 25 | 686 | 300 | 508 | 450 | 490 | 555 | 16-Ф33 | 130 | 42-3 | F20 | 350 | 双级蜗轮 |
| 400 | 25 | 760 | 350 | 580 | 505 | 550 | 620 | 16-Ф36 | 130 | 46-3 | F20 | 400 | 双级蜗轮 |
| 450 | 25 | 910 | 350 | 580 | 555 | 600 | 670 | 20-Ф36 | 130 | 50-3 | F20 | 400 | 双级蜗轮 |
| 500 | 25 | 990 | 400 | 660 | 615 | 660 | 730 | 20-Ф36 | 135 | 56-3 | F30 | 450 | 双级蜗轮 |
| 600 | 25 | 1140 | 500 | 813 | 720 | 770 | 845 | 20-Ф39 | 135 | 68-3 | F30 | 500 | 双级蜗轮 |
蜗杆扭矩
| 公称通径 | DN150 | DN200 | DN250 | DN300 | DN350 | DN400 | DN450 | DN500 | DN600 |
| 扭矩/.MI | 160 | 200 | 260 | 310 | 300 | 360 | 360 | 400 | 480 |
设计依据
1.阀门的设计按Q/320506 FDV01-20132:GB/T 12224-2005《钢制阀门 一般要求》
2.GB/T 12220-1989《通用阀门 标志》
3.GB/T 12223-2005《部分回转阀门驱动装置的连接》
4.JB/T 12006-2014《钢管焊接球阀》
5.GB/T 37827-2019《城镇供热焊接球阀》
6.法兰面标准:GB/T 9113
7.法兰端标准:GB/T 12221-2005
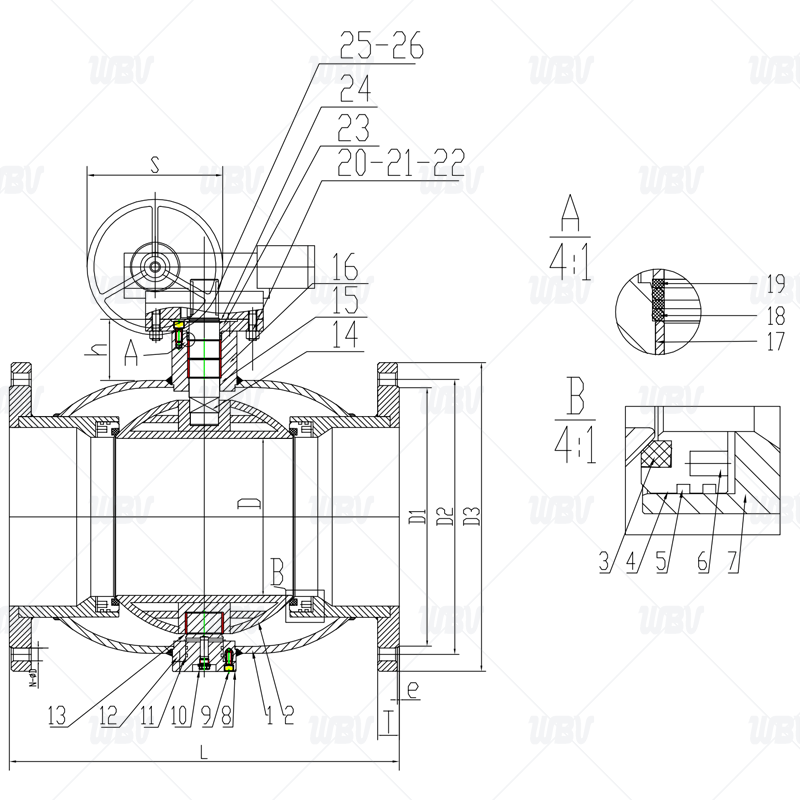
产品零件
| 序号 | 名称 | 材质 | 序号 | 名称 | 材质 |
| 1 | 体管 | 20# | 14 | 阀杆 | 2Cr13 |
| 2 | 球 | SS304 | 15 | 垫圈 | PTFE+C |
| 3 | 密封圈 | PTFE+C | 16 | 支管 | 20# |
| 4 | 阀座圈 | 20# | 17 | 上轴承 | Q235+PTFE |
| 5 | O型圈 | 氟塑橡胶FKM | 18 | 垫圈 | PTFE+C |
| 6 | 碟簧 | 50crv4 | 19 | O型圈 | 氟塑橡胶FKM |
| 7 | 接管 | 20# | 20 | 螺柱 | 8.8 |
| 8 | 底盖 | 20# | 21 | 螺母 | 8 |
| 9 | 内六角螺钉 | 45# | 22 | 弹性挡圈 | 45# |
| 10 | 排污塞 | 45# | 23 | 法兰连接 | 20 |
| 11 | O型圈 | 氟塑橡胶FKM | 24 | 轴用卡簧 | 45# |
| 12 | 底座 | 20# | 25 | 平键 | 45# |
| 13 | 下轴承 | Q235+PTFE | 26 | 驱动装置 | QT450 |
相关信息