产品展示
浮动球球阀的结构简单,密封性好,但球体承受工作介质的载荷全部传给了出口密封圈,因此要考虑密封圈材料能否经受得住球体介质的工作载荷,在受到较高压力冲击时,球体可能会发生偏移。这种结构,一般用于中低压球阀。
球阀的主要特点是本身结构紧凑,密封可靠,结构简单,维修方便,密封面与球面常在闭合状态,不易被介质冲蚀,易于操作和维修,适用于水、溶剂、酸和天然气等一般工作介质,而且还适用于工作条件恶劣的介质。该球阀与介质接触部位均为耐腐蚀的不锈钢,这种软密封球阀用于水、溶剂、酸和天然气等一般工作介质,而且还适用于工作条件恶劣的介质,如氧气过氧化氢、硝酸、醋酸、烧碱等腐蚀性介质。软密封不锈钢法兰球阀通常使用在医疗卫生装置、食品机械、化工酸碱腐蚀性装置和管路系统中。
产品详情
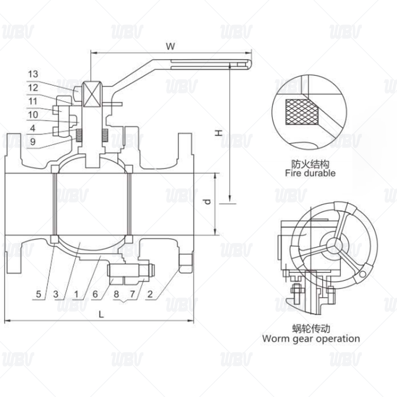
产品图纸

产品尺寸
| DN | L | D | D1 | D2 | B | Z-Фd | H | W |
| 15 | 130 | 95 | 65 | 45 | 14 | 4-Ф14 | 78 | 140 |
| 20 | 130 | 105 | 75 | 55 | 14 | 4-Ф14 | 84 | 160 |
| 25 | 140 | 115 | 85 | 65 | 14 | 4-Ф14 | 95 | 180 |
| 32 | 165 | 135 | 100 | 78 | 16 | 4-Ф18 | 150 | 250 |
| 40 | 165 | 145 | 110 | 85 | 16 | 4-Ф18 | 150 | 300 |
| 50 | 203 | 160 | 125 | 100 | 16 | 4-Ф18 | 170 | 350 |
| 65 | 222 | 180 | 145 | 120 | 18 | 4-Ф18 | 195 | 350 |
| 80 | 241 | 195 | 160 | 135 | 20 | 8-Ф18 | 215 | 400 |
| 100 | 305 | 215 | 180 | 155 | 20 | 8-Ф18 | 250 | 500 |
| 125 | 356 | 245 | 210 | 185 | 22 | 8-Ф18 | 265 | 600 |
| 150 | 394 | 280 | 240 | 210 | 24 | 8-Ф23 | 270 | 800 |
| 200 | 457 | 335 | 295 | 265 | 24 | 12-Ф23 | 330 | 800 |
| 250 | 533 | 405 | 355 | 320 | 26 | 12-Ф23 | 450 | - |
技术资料
1.技术标准按GB/T 12237-2021
2.法兰尺寸按JB/T 79.1-1994
3.结构长度 GB/T 12221-2005
4.测试按 GB/T 13927-2008
产品零件表
| 序号 | 名称 | 材质 | 序号 | 名称 | 材质 |
| 1 | 阀体 | WCB | 8 | 阀盖螺母 | 2H |
| 2 | 阀盖 | WCB | 9 | 填料 | PTFE |
| 3 | 球 | F304 | 10 | 填料压板 | WCB |
| 4 | 阀杆 | A105 | 11 | 填料螺栓 | B7 |
| 5 | 阀座 | RPTFE | 12 | 定位片 | WCB |
| 6 | 垫片 | C+A105 | 13 | 手柄 | 碳钢 |
| 7 | 阀盖螺栓 | B7 |
相关信息