您当前的位置:首页 / 产品展示 / 碳钢球阀 / 碳钢法兰球阀 c.s flange ball valve Q41F-25C
产品展示
产品详情
产品图纸

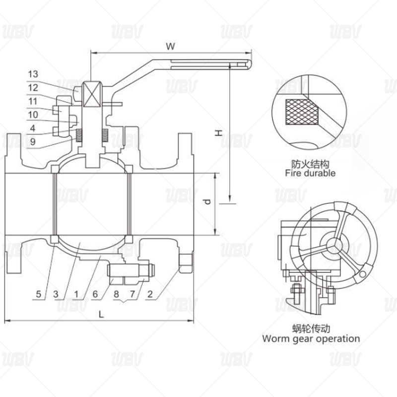
产品尺寸
| DN | L | D | D1 | D2 | B | Z-Фd | H | W |
| 15 | 130 | 95 | 65 | 45 | 14 | 4-Ф14 | 78 | 140 |
| 20 | 130 | 105 | 75 | 55 | 14 | 4-Ф14 | 84 | 160 |
| 25 | 140 | 115 | 85 | 65 | 14 | 4-Ф14 | 95 | 180 |
| 32 | 165 | 135 | 100 | 78 | 16 | 4-Ф18 | 150 | 250 |
| 40 | 165 | 145 | 110 | 85 | 16 | 4-Ф18 | 150 | 300 |
| 50 | 203 | 160 | 125 | 100 | 16 | 4-Ф18 | 170 | 350 |
| 65 | 222 | 180 | 145 | 120 | 18 | 4-Ф18 | 195 | 350 |
| 80 | 241 | 195 | 160 | 135 | 20 | 8-Ф18 | 215 | 400 |
| 100 | 305 | 215 | 180 | 155 | 20 | 8-Ф18 | 250 | 500 |
| 125 | 356 | 245 | 210 | 185 | 22 | 8-Ф18 | 265 | 600 |
| 150 | 394 | 280 | 240 | 210 | 24 | 8-Ф23 | 270 | 800 |
| 200 | 457 | 335 | 295 | 265 | 24 | 12-Ф23 | 330 | 800 |
| 250 | 533 | 405 | 355 | 320 | 26 | 12-Ф23 | 450 | - |
技术资料
1.技术标准按GB/T 12237-2021
2.法兰尺寸按JB/T 79.1-1994
3.结构长度 GB/T 12221-2005
4.测试按 GB/T 13927-2008
产品零件表
| 序号 | 名称 | 材质 | 序号 | 名称 | 材质 |
| 1 | 阀体 | WCB | 8 | 阀盖螺母 | 2H |
| 2 | 阀盖 | WCB | 9 | 填料 | PTFE |
| 3 | 球 | F304 | 10 | 填料压板 | WCB |
| 4 | 阀杆 | A105 | 11 | 填料螺栓 | B7 |
| 5 | 阀座 | RPTFE | 12 | 定位片 | WCB |
| 6 | 垫片 | C+A105 | 13 | 手柄 | 碳钢 |
| 7 | 阀盖螺栓 | B7 |
相关信息