您当前的位置:首页 / 产品展示 / 碳钢球阀 / 美标碳钢法兰球阀 ANSI c.s. flange ball valve Q41F-150/300LB
产品展示
产品详情
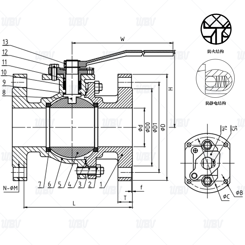
产品图纸

产品尺寸
| 150LB | ||||||||||||
| DN | Фd | ФD | ФD1 | ФD2 | T | f | L | W | H | N-ФM | ФB | ФC |
| 1/2" | 15 | 86 | 61 | 37 | 10 | 1.6 | 108 | 140 | 87 | 4-Ф15 | 5 | 42 |
| 3/4" | 20 | 95 | 70 | 44 | 11 | 1.6 | 117 | 140 | 88 | 4-Ф15 | 5 | 42 |
| 1" | 25 | 105 | 80 | 53 | 12 | 1.6 | 127 | 165 | 95 | 4-Ф15 | 5 | 50 |
| 1 1/4" | 32 | 117 | 89 | 65 | 13 | 1.6 | 140 | 165 | 100 | 4-Ф15 | 5 | 50 |
| 1 1/2" | 38 | 124 | 99 | 74 | 15 | 1.6 | 165 | 195 | 105 | 4-Ф15 | 6.5 | 70 |
| 2" | 50 | 148 | 121 | 93 | 16 | 1.6 | 178 | 240 | 117 | 4-Ф19 | 6.5 | 70 |
| 2 1/2" | 64 | 173 | 140 | 105 | 18 | 1.6 | 190 | 240 | 142 | 4-Ф19 | 8.5 | 102 |
| 3" | 77 | 186 | 153 | 128 | 19 | 1.6 | 203 | 260 | 145 | 4-Ф19 | 8.5 | 102 |
| 4" | 100 | 224 | 191 | 158 | 24 | 1.6 | 229 | 320 | 170 | 8-Ф19 | 8.5 | 102 |
| 5" | 125 | 249 | 216 | 186 | 26 | 1.6 | 356 | 600 | 230 | 8-Ф22 | ||
| 6" | 150 | 274 | 242 | 217 | 26 | 1.6 | 394 | 800 | 260 | 8-Ф22 | ||
| 8" | 200 | 338 | 299 | 271 | 29 | 1.6 | 457 | 1000 | 310 | 8-Ф22 | ||
| 10" | 250 | 401 | 362 | 325 | 31 | 1.6 | 533 | 1200 | 350 | 12-Ф22 | ||
| 300LB | ||||||||||||
| DN | Фd | ФD | ФD1 | ФD0 | T | f | L | W | H | N-ФM | ФB | ФC |
| 1/2” | 15 | 95 | 66.5 | 35 | 15 | 2 | 140 | 140 | 87 | 4-Ф15 | 5 | 42 |
| 3/4" | 20 | 117 | 82.5 | 43 | 16 | 2 | 152 | 140 | 88 | 4-Ф19 | 5 | 42 |
| 1" | 25 | 124 | 89 | 51 | 18 | 2 | 165 | 165 | 95 | 4-Ф19 | 5 | 50 |
| 1 1/4" | 32 | 133 | 98.5 | 64 | 19 | 2 | 178 | 165 | 100 | 4-Ф19 | 5 | 50 |
| 1 1/2" | 38 | 156 | 114.5 | 73 | 21 | 2 | 190 | 195 | 105 | 4-Ф19 | 6.5 | 70 |
| 2" | 50 | 165 | 127 | 92 | 23 | 2 | 216 | 240 | 117 | 8-Ф19 | 6.5 | 70 |
| 2 1/2" | 64 | 190 | 149 | 105 | 26 | 2 | 241 | 240 | 142 | 8-Ф22 | 8.5 | 102 |
| 3" | 77 | 210 | 168.5 | 127 | 29 | 2 | 283 | 260 | 145 | 8-Ф22 | 8.5 | 102 |
| 4" | 100 | 254 | 200 | 157 | 32 | 2 | 305 | 320 | 170 | 8-Ф22 | 8.5 | 102 |
| 5" | 125 | 279 | 235 | 185.7 | 35 | 2 | 381 | 600 | 195 | 8-Ф22 | ||
| 6" | 150 | 318 | 270 | 216 | 37 | 2 | 403 | 800 | 275 | 12-Ф22 | ||
| 8" | 200 | 381 | 330 | 270 | 42 | 2 | 502 | 1000 | 320 | 12-Ф25 | ||
| 10" | 250 | 445 | 387.5 | 324 | 48 | 2 | 568 | 1200 | 385 | 16-Ф29 | ||
技术资料
1.设计和制造按ANSI 16.34 API608的规定
2.结构长度按ANSI B16.10的规定
3.法兰尺寸按ANSI B16.15的规定
4.测试按API598的规定
产品零件表
| 序号 | 名称 | 材质 | 序号 | 名称 | 材质 |
| 1 | 阀盖 | WCB/CF8/CF8M | 9 | 止推垫圈 | PTFE |
| 2 | 螺母 | A194 8 | 10 | 填料 | PTFE |
| 3 | 螺栓 | A193 B8 | 11 | 填料压盖 | SS/SS304/SS316 |
| 4 | 弹性垫圈 | PTFE | 12 | 压盖螺栓 | SS/SS304/SS316 |
| 5 | 球 | SS/SS304/SS316 | 13 | 手柄 | WCB/SS |
| 6 | 阀体 | WCB/CF8/CF8M | 14 | 限位片 | SS/SS304/SS316 |
| 7 | 阀座 | PTFE | 15 | 卡环 | SS/SS304/SS316 |
| 8 | 阀杆 | SS/SS304/SS316 |
相关信息