您当前的位置:首页 / 产品展示 / 衬氟阀门 / 衬四氟法兰Y型过滤器 fluorine flange Y-strainer GL41F46
产品展示
产品详情
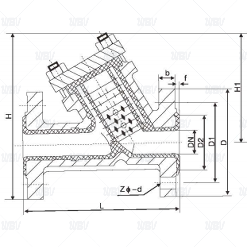
产品图纸

产品尺寸
| 公称通径 | 主要尺寸 | 重量 | |||||||
| DN/mm | inch | L1 | D | D1 | D2 | f | b | Z-Фd | kg |
| PN10 | |||||||||
| 20 | 3/4" | 150 | 105 | 75 | 55 | 2 | 18 | 4-Ф14 | 3.3 |
| 25 | 1" | 160 | 115 | 85 | 65 | 2 | 18 | 4-Ф14 | 4.2 |
| 32 | 1 1/4" | 180 | 140 | 100 | 78 | 2 | 18 | 4-Ф18 | 6.6 |
| 40 | 1 1/2" | 200 | 150 | 110 | 85 | 3 | 18 | 4-Ф18 | 7.3 |
| 50 | 2" | 230 | 165 | 125 | 100 | 3 | 18 | 4-Ф18 | 12 |
| 65 | 2 1/2" | 290 | 185 | 145 | 120 | 3 | 18 | 4-Ф18 | 14 |
| 80 | 3" | 310 | 200 | 160 | 135 | 3 | 20 | 8-Ф18 | 23 |
| 100 | 4" | 350 | 220 | 180 | 155 | 3 | 20 | 8-Ф18 | 32 |
| 125 | 5" | 400 | 250 | 210 | 185 | 3 | 22 | 8-Ф18 | 43 |
| 150 | 6" | 480 | 285 | 240 | 210 | 3 | 22 | 8-Ф22 | 52 |
| 200 | 8" | 600 | 340 | 295 | 265 | 3 | 24 | 8-Ф22 | 89 |
| 250 | 10" | 550 | 395 | 350 | 320 | 3 | 26 | 12-Ф22 | - |
| 300 | 12" | 600 | 445 | 400 | 370 | 4 | 26 | 12-Ф22 | - |
技术资料
1.执行标准GB/T26114-2024
2.结构长度标准GB/T12221-2005
3.法兰尺寸标准GB/T 9113-2010
4.压力试验标准GB/T 13927-2022,API598
产品零件表
| 名称 | 灰铸铁Z | 碳钢C |
| 阀体/阀盖 | HT250/A126 | WCB/A216 WCB |
| 过滤网 | PTFE(F4) | |
| 内衬材料 | PTFE(F4) FEP(F46) PFA(可溶性聚四氟乙烯) PO(聚烯烃) PE(超高分子量聚乙烯) | |
| 螺栓/螺母 | 35/45、A193 B7/A194 2H | |
相关信息