您当前的位置:首页 / 产品展示 / 螺纹连接球阀 / 国标三片式承插焊球阀 GB 3PC SW ball valve Q11F-16/40
产品展示
产品详情
产品图纸

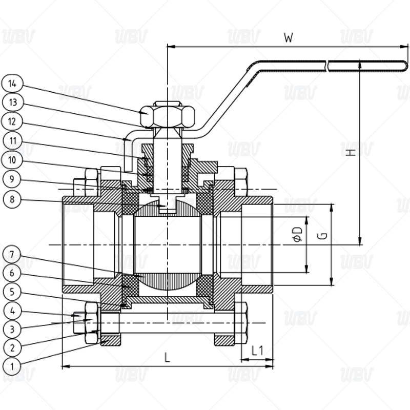
产品尺寸
| DN | NPS | D | G | L1 | L | W | H |
| 8 | 1/4" | 12.5 | 14 | 8 | 68 | 110 | 48 |
| 10 | 3/8" | 12.5 | 18 | 9 | 68 | 110 | 48 |
| 15 | 1/2" | 15 | 22 | 10 | 72 | 110 | 55 |
| 20 | 3/4" | 20 | 27 | 11 | 84 | 118 | 63 |
| 25 | 1" | 25 | 34 | 12 | 91 | 128 | 68 |
| 32 | 1 1/4" | 32 | 43 | 14 | 112 | 140 | 82 |
| 40 | 1 1/2" | 38 | 49 | 15 | 120 | 160 | 95 |
| 50 | 2" | 49 | 61 | 16 | 147 | 180 | 106 |
| 65 | 2 1/2" | 65 | 77 | 17 | 181 | 215 | 120 |
| 80 | 3" | 76 | 90 | 18 | 186 | 224 | 125 |
| 100 | 4" | 94 | 116 | 19 | 220 | 251 | 180 |
技术资料
1.设计标准GB/T 8464-2023
2.结构长度标准DIN3202-M3
3.连接端标准JB/T 1751-1992
4.压力温度标准GB/T 12224-2015
5.验收标准JB/T 9092-1999
产品零件表
| 序号 | 名称 | 材质 | 序号 | 名称 | 材质 |
| 1 | 阀盖 | CF8 | 8 | 阀杆 | SS304 |
| 2 | 弹性垫片 | SS304 | 9 | 止推垫圈 | PTFE |
| 3 | 螺母 | 8 | 10 | 填料 | PTFE |
| 4 | 螺栓 | B8 | 11 | 压盖 | SS304 |
| 5 | 阀体 | CF8 | 12 | 手柄 | SS304 |
| 6 | 阀座 | PTFE | 13 | 弹性垫片 | SS304 |
| 7 | 阀芯 | CF8 | 14 | 螺母 | SS304 |
相关信息