您当前的位置:首页 / 产品展示 / 螺纹连接球阀 / 国标三片式球阀 GB 3PC ball valve Q11F-16/64 WCB
产品展示
产品详情
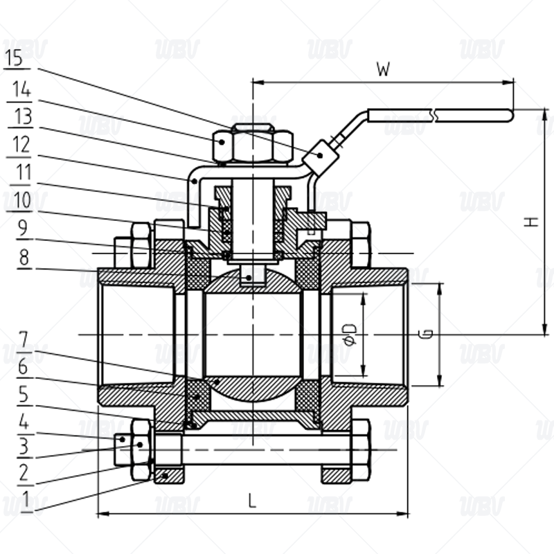
产品图纸

产品尺寸
| DN | G | D | L | W | H |
| 6 | 1/4" | 10 | 65 | 90 | 47 |
| 10 | 3/8" | 12 | 65 | 90 | 47 |
| 15 | 1/2" | 15 | 75 | 105 | 50 |
| 20 | 3/4" | 20 | 80 | 105 | 52 |
| 25 | 1" | 25 | 90 | 125 | 65 |
| 32 | 1 1/4" | 32 | 110 | 140 | 70 |
| 40 | 1 1/2" | 38 | 120 | 162 | 85 |
| 50 | 2" | 49 | 140 | 162 | 93 |
| 65 | 2 1/2" | 65 | 185 | 215 | 115 |
| 80 | 3" | 80 | 205 | 224 | 125 |
| 100 | 4" | 100 | 240 | 250 | 180 |
技术资料
1.执行标准按GB/T 8464-2023
2.测试按GB/T 13927-2008
3.结构长度标准DIN3202-M3
4.材质按GB/T 12230-2005
产品零件表
| 序号 | 名称 | 材质 | 序号 | 名称 | 材质 |
| 1 | 阀盖 | WCB | 9 | 止推垫圈 | PTFE |
| 2 | 螺栓垫圈 | SS/SS304/SS3316 | 10 | 填料 | PTFE |
| 3 | 六角螺母 | SS/SS304/SS3316 | 11 | 填料压盖 | SS/SS304/SS3316 |
| 4 | 螺栓 | SS/SS304/SS3316 | 12 | 手柄 | 1Cr13 |
| 5 | 阀体 | WCB | 13 | 弹性垫圈 | SS/SS304/SS3316 |
| 6 | 阀座 | PTFE | 14 | 螺母 | SS/SS304/SS3316 |
| 7 | 球 | SS/SS304/SS3316 | 15 | 锁扣 | 1Cr13 |
| 8 | 阀杆 | SS/SS304/SS3316 |
相关信息