您当前的位置:首页 / 产品展示 / 全焊接球阀 / 全焊接全通径法兰球阀Q41HF-16/25C CF8球 固定手柄 防腐蚀漆
产品展示
全焊接球阀,阀门由三段独立的锻压件通过焊接组成一体式而成,确保球阀在允许工况条件下连接阀体无泄漏。产品主要应用于:天然气、石油、水等介质,适用于小区供热、城市燃气、石油化工、钢铁、造船、冶金、发电站、调压站等管道使用。
产品详情
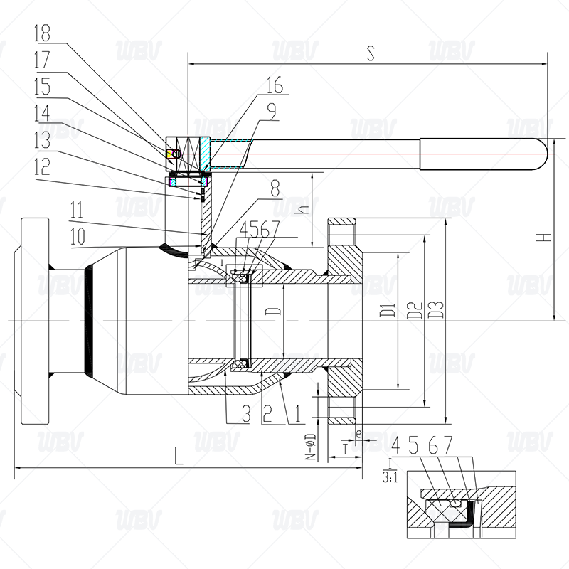
产品图纸


连接尺寸
| DN | PN | L | D | D1 | D2 | D3 | H | h | T-e | N-ØD | S |
| 15 | 16 | 150 | 15 | 45 | 65 | 95 | 85 | 33 | 14-2 | 4-14 | 115 |
| 20 | 16 | 160 | 20 | 58 | 75 | 105 | 90 | 33 | 16-2 | 4-14 | 160 |
| 25 | 16 | 180 | 25 | 68 | 85 | 115 | 95 | 37 | 16-2 | 4-14 | 160 |
| 32 | 16 | 200 | 32 | 78 | 100 | 140 | 100 | 37 | 18-2 | 4-18 | 170 |
| 40 | 16 | 230 | 40 | 88 | 110 | 150 | 120 | 50 | 18-3 | 4-18 | 170 |
| 50 | 16 | 300 | 50 | 102 | 125 | 165 | 134 | 65 | 18-3 | 4-18 | 300 |
| 65 | 16 | 300 | 65 | 122 | 145 | 185 | 142 | 65 | 18-3 | 8-18 | 300 |
| 80 | 16 | 300 | 80 | 138 | 160 | 200 | 240 | 77 | 20-3 | 8-18 | 380 |
| 100 | 16 | 325 | 100 | 158 | 180 | 220 | 257 | 82 | 20-3 | 8-18 | 410 |
| 125 | 16 | 350 | 125 | 188 | 210 | 250 | 270 | 82 | 22-3 | 8-18 | 410 |
| 150 | 16 | 400 | 150 | 212 | 240 | 285 | 340 | 107 | 22-3 | 8-22 | 600 |
| DN | PN | L | D | D1 | D2 | D3 | H | h | T-e | N-ØD | S |
| 15 | 25 | 150 | 15 | 45 | 65 | 95 | 85 | 33 | 14-2 | 4-14 | 115 |
| 20 | 25 | 160 | 20 | 58 | 75 | 105 | 90 | 33 | 16-2 | 4-14 | 160 |
| 25 | 25 | 180 | 25 | 68 | 85 | 115 | 95 | 37 | 16-2 | 4-14 | 160 |
| 32 | 25 | 200 | 32 | 78 | 100 | 140 | 100 | 37 | 18-2 | 4-18 | 170 |
| 40 | 25 | 230 | 40 | 88 | 110 | 150 | 120 | 50 | 18-3 | 4-18 | 170 |
| 50 | 25 | 300 | 50 | 102 | 125 | 165 | 134 | 65 | 18-3 | 4-18 | 300 |
| 65 | 25 | 300 | 65 | 122 | 145 | 185 | 142 | 65 | 18-3 | 8-18 | 300 |
| 80 | 25 | 300 | 80 | 138 | 160 | 200 | 240 | 77 | 20-3 | 8-18 | 380 |
| 100 | 25 | 325 | 100 | 162 | 190 | 235 | 257 | 82 | 20-3 | 8-22 | 410 |
| 125 | 25 | 350 | 125 | 188 | 220 | 270 | 270 | 82 | 22-3 | 8-26 | 410 |
| 150 | 25 | 400 | 150 | 218 | 250 | 300 | 340 | 107 | 22-3 | 8-26 | 600 |
阀杆扭矩
| 公称尺寸 | DN15 | DN20 | DN25 | DN32 | DN40 | DN50 | DN65 | DN80 | DN100 | DN125 | DN150 |
| 扭矩/.MI | 9 | 12 | 20 | 35 | 50 | 70 | 90 | 110 | 140 | 160 | 200 |
设计依据
1.阀门的设计按Q/320506 FDV01-20132:GB/T 12224-2005《钢制阀门 一般要求》
2.GB/T 12220-1989《通用阀门 标志》
3.GB/T 12223-2005《部分回转阀门驱动装置的连接》
4.JB/T 12006-2014《钢管焊接球阀》
5.GB/T 37827-2019《城镇供热焊接球阀》
6.法兰面标准:GB/T 9113
7.法兰端标准:GB/T 12221-2005
产品零件表
| 序号 | 名称 | 材质 | 序号 | 名称 | 材质 |
| 1 | 体管 | 20# | 10 | 轴承 | 低碳钢+PTFE |
| 2 | 接管 | 20# | 11 | 支管 | 20# |
| 3 | 球 | 304 | 12 | 阀杆O型圈 | 氟塑橡胶FKM |
| 4 | 阀座 | PTFE+C | 13 | 垫圈 | PTFE+C |
| 5 | 阀座O型圈 | 氟塑橡胶FKM | 14 | 填料压盖 | 20# |
| 6 | 支撑环 | 60Si2Mn | 15 | 限位块 | Q235 |
| 7 | 碟簧 | 60Si2Mn | 16 | 轴用弹性挡圈 | 65Mn |
| 8 | 阀杆 | 2Cr13 | 17 | 手柄 | 25号钢 |
| 9 | 止推垫 | PTFE+C | 18 | 内六角紧定螺钉 | 35号钢 |
相关信息