您当前的位置:首页 / 产品展示 / 保温、高温阀门 / 保温法兰球阀 insulated Uni-body valve BQ41F
产品展示
产品详情
产品图纸

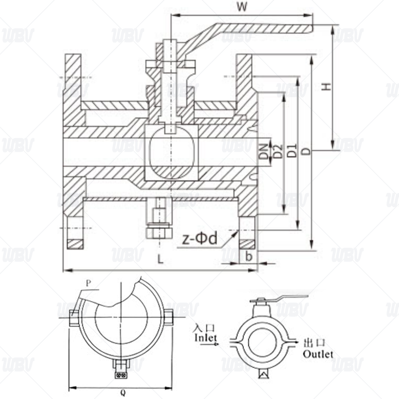
产品尺寸
| 公称通径 | 主要外形尺寸和连接尺寸 | |||||||
| L | D | D1 | D2 | b | Z-Фd | H | W | |
| 15 | 130 | 95 | 65 | 45 | 14 | 4-Ф14 | 95 | 160 |
| 20 | 140 | 105 | 75 | 55 | 14 | 4-Ф14 | 101 | 160 |
| 25 | 150 | 115 | 85 | 65 | 14 | 4-Ф14 | 106 | 160 |
| 32 | 165 | 135 | 100 | 78 | 16 | 4-Ф18 | 112 | 230 |
| 40 | 180 | 145 | 110 | 85 | 16 | 4-Ф18 | 125 | 230 |
| 50 | 200 | 160 | 125 | 100 | 16 | 4-Ф18 | 135 | 230 |
| 65 | 220 | 180 | 145 | 120 | 18 | 4-Ф18 | 170 | 400 |
| 80 | 250 | 195 | 160 | 135 | 20 | 8-Ф18 | 193 | 400 |
| 100 | 280 | 215 | 180 | 155 | 20 | 8-Ф18 | 265 | 700 |
| 125 | 320 | 245 | 210 | 185 | 22 | 8-Ф18 | 310 | 700 |
| 150 | 360 | 280 | 240 | 210 | 24 | 8-Ф23 | 355 | 1100 |
| 200 | 400 | 335 | 295 | 265 | 26 | 12-Ф23 | 410 | 1500 |
| 250 | 533 | 405 | 355 | 320 | 30 | 12-Ф25 | 560 | 1500 |
技术资料
1.设计标准:ASME B 16.34, GB/T12224-2015
2.结构长度:ASME B 16.10, GB/T12221-2005
3.连接法兰:ASME B 16.5, JB/T79-2015
4.试验和检验: API 598
产品零件表
| 阀体/阀盖 | 碳钢 | 铬镍钛钢 |
| 球 | 铬镍钢 | |
| 阀座 | PTFE/氧化橡胶 | PTFE |
| 阀杆 | 沉淀硬化钢 | 铬镍钢 |
相关信息