您当前的位置:首页 / 产品展示 / 保温、高温阀门 / 法兰高温一体球阀 flange HT ball valve QJ341M-16
产品展示
产品详情
产品图纸

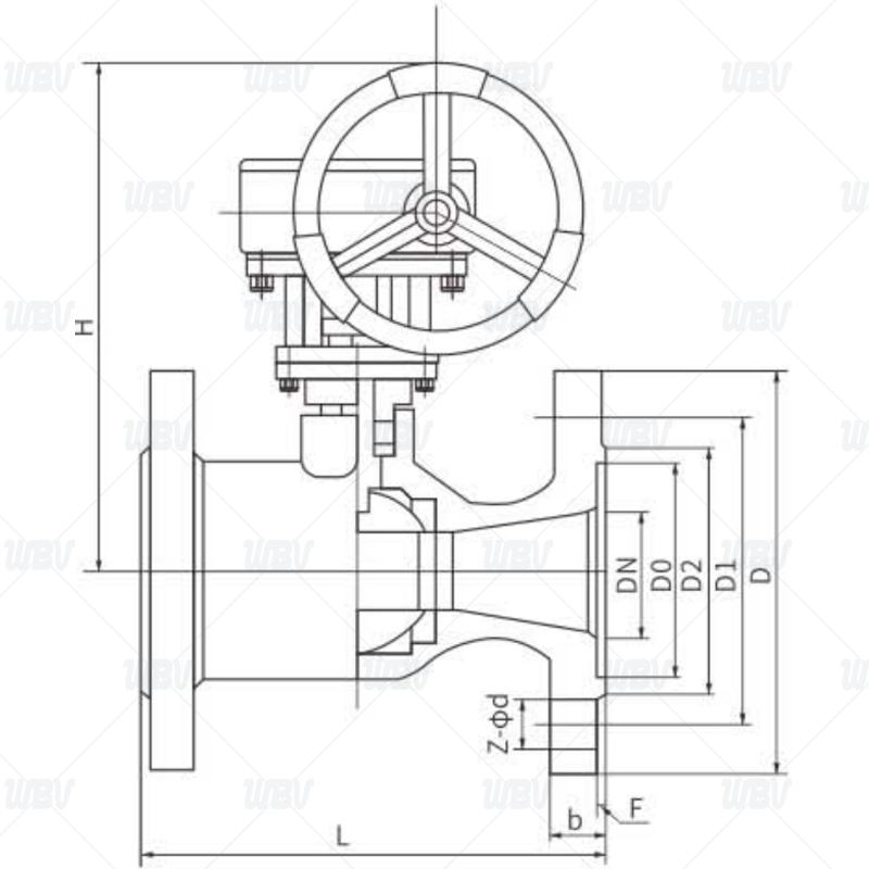
产品尺寸
| 通径DN | 尺寸 | |||||||
| L | D | D1 | D2 | b | Z-Фd | H | D0 | |
| QJ41M-16C | ||||||||
| 15 | 130 | 95 | 65 | 45 | 16 | 4-14 | 105 | 150 |
| 20 | 150 | 105 | 75 | 55 | 16 | 4-14 | 110 | 150 |
| 25 | 160 | 115 | 85 | 65 | 16 | 4-14 | 120 | 160 |
| 32 | 180 | 135 | 100 | 78 | 18 | 4-18 | 140 | 180 |
| 40 | 200 | 145 | 110 | 85 | 18 | 4-18 | 155 | 250 |
| 50 | 230 | 160 | 125 | 100 | 20 | 4-18 | 175 | 300 |
| 65 | 290 | 180 | 145 | 120 | 20 | 4-18 | 195 | 300 |
| 80 | 310 | 195 | 160 | 135 | 22 | 8-18 | 225 | 320 |
| 100 | 350 | 215 | 180 | 155 | 24 | 8-18 | 250 | 320 |
| 125 | 400 | 245 | 210 | 185 | 26 | 8-18 | 270 | 360 |
| 150 | 480 | 280 | 240 | 210 | 28 | 8-23 | 290 | 360 |
| 200 | 600 | 335 | 295 | 265 | 30 | 12-23 | 350 | 450 |
| 250 | 650 | 405 | 355 | 320 | 32 | 12-25 | 405 | 450 |
| QJ41M-25C | ||||||||
| 15 | 130 | 95 | 65 | 45 | 16 | 4-14 | 105 | 150 |
| 20 | 150 | 105 | 75 | 55 | 16 | 4-14 | 110 | 150 |
| 25 | 160 | 115 | 85 | 65 | 16 | 4-14 | 120 | 160 |
| 32 | 180 | 135 | 100 | 78 | 18 | 4-18 | 140 | 180 |
| 40 | 200 | 145 | 110 | 85 | 20 | 4-18 | 155 | 250 |
| 50 | 230 | 160 | 125 | 100 | 20 | 4-18 | 175 | 300 |
| 65 | 290 | 180 | 145 | 120 | 22 | 8-18 | 195 | 300 |
| 80 | 310 | 195 | 160 | 135 | 22 | 8-18 | 225 | 320 |
| 100 | 350 | 230 | 190 | 160 | 24 | 8-23 | 250 | 320 |
| 125 | 400 | 270 | 220 | 188 | 28 | 8-25 | 270 | 360 |
| 150 | 480 | 300 | 250 | 218 | 30 | 8-25 | 290 | 360 |
| 200 | 600 | 360 | 310 | 278 | 34 | 12-25 | 350 | 450 |
| 250 | 730 | 425 | 370 | 335 | 36 | 12-30 | 405 | 450 |
技术资料
1.设计和制造按GB/T 12237-2021的标准
2.结构长度按GB/T 12221-2005的标准
3.压力试验按GB/T 13927-2022的标准
4.法兰尺寸按JB/T 79.1的标准
相关信息