您当前的位置:首页 / 产品展示 / 全焊接球阀 / 全焊接涡轮缩径球阀Q361HF-20K 304球 KIS标准
产品展示
全焊接球阀,阀门由三段独立的锻压件通过焊接组成一体式而成,确保球阀在允许工况条件下连接阀体无泄漏。产品主要应用于:天然气、石油、水等介质,适用于小区供热、城市燃气、石油化工、钢铁、造船、冶金、发电站、调压站等管道使用。
产品详情


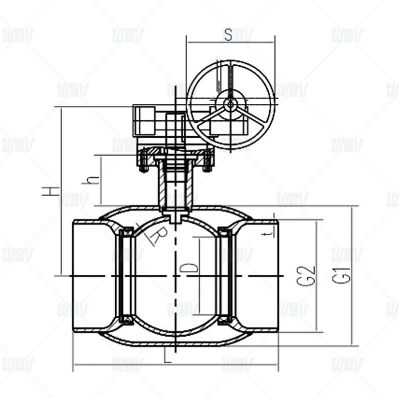
Product Size
| DN | K | L | R | D | G1 | G2 | H | h | t | s | ISO5211 | KG |
| 200 | 20 | 400 | 7 | 150 | 273 | 216.3 | 340 | 107 | 8 | 250 | F12 | 53.78 |
| 250 | 20 | 560 | 8 | 200 | 357 | 267.4 | 400 | 117 | 9.3 | 300 | F14 | 87.6 |
| 200 | 20 | 635 | 10 | 250 | 427 | 318.5 | 500 | 129 | 10 | 350 | F16 | 144.3 |
Stem Torque
| DN | 200 | 250 | 300 |
| Torque/.MI | 210 | 260 | 310 |
Design Specifications
1.design&mfr.std.:GB/T12237-2021
2.face to face std.:JIS2002-2018
3.others std.:GB/T12224-2015
4.inspection&test std.:JB/T 9092-1999
5.flange std.:JIS B2214-1999
Bill of Material
| NO. | part name | material | NO, | part name | material |
| 1 | body pipe | 20# | 11 | branch pipe | 20# |
| 2 | side pipe | 20# | 12 | stem O-ring | FKM |
| 3 | ball | 304 | 13 | gasket | PTFE+C |
| 4 | seat | PTFE+C | 14 | packing gland | 20# |
| 5 | seat O-ring | FKM | 15 | Circlip for shaft | 65Mn |
| 6 | suppot ring | 60Si2Mn | 16 | worm gear | QT400 |
| 7 | disc spring | 60Si2Mn | 17 | flat key | 45# |
| 8 | stem | 2Cr13 | 18 | bolt | 8.8 |
| 9 | thrust gasket | PTFE+C | 19 | nut | 8 |
| 10 | bearing | mild steel+PTFE |
相关信息