您当前的位置:首页 / 产品展示 / 全焊接球阀 / 全焊接缩径球阀Q41HF-20K CF8球 活动手柄带锁 KIS
产品展示
全焊接球阀,阀门由三段独立的锻压件通过焊接组成一体式而成,确保球阀在允许工况条件下连接阀体无泄漏。产品主要应用于:天然气、石油、水等介质,适用于小区供热、城市燃气、石油化工、钢铁、造船、冶金、发电站、调压站等管道使用。
产品详情


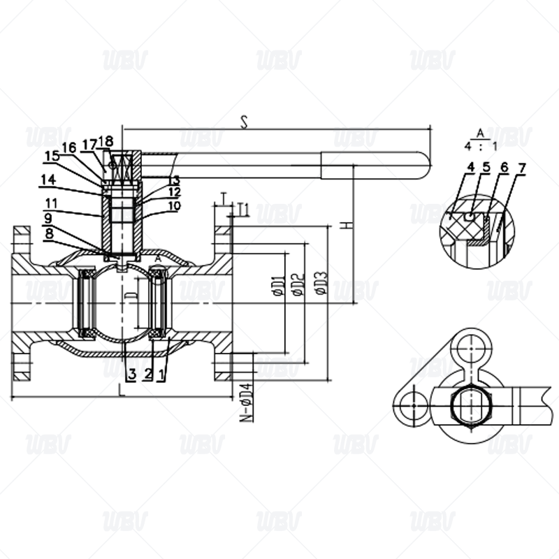
产品尺寸
| DN | PN | L | D | D1 | D2 | D3 | T | T1 | H | S | N-ФD4 |
| 65 | 25 | 190 | 50 | 120 | 140 | 175 | 18 | 2 | 134 | 300 | 4-19 |
| 80 | 25 | 203 | 65 | 130 | 150 | 185 | 18 | 2 | 142 | 300 | 8-19 |
| 100 | 25 | 229 | 80 | 155 | 175 | 210 | 18 | 2 | 172 | 380 | 8-19 |
| 125 | 25 | 325 | 100 | 185 | 210 | 250 | 20 | 2 | 197 | 410 | 8-23 |
| 150 | 25 | 350 | 125 | 215 | 240 | 280 | 22 | 2 | 210 | 450 | 8-23 |
| 200 | 25 | 457 | 150 | 265 | 290 | 330 | 22 | 2 | 240 | 220 | 12-23 |
阀杆扭矩
| 公称通径 | DN65 | DN80 | DN100 | DN125 | DN150 | DN200 |
| 扭矩/.MI | 70 | 90 | 110 | 140 | 160 | 200 |
设计依据
1.阀门的设计按Q/320506 FDV01-20132:GB/T 12224-2005《钢制阀门 一般要求》
2.GB/T 12220-1989《通用阀门 标志》
3.GB/T 12223-2005《部分回转阀门驱动装置的连接》
4.JB/T 12006-2014《钢管焊接阀门》
5.GB/T 37827-2019.《城镇供热焊接球阀》
产品零件表
| 序号 | 名称 | 材质 | 序号 | 名称 | 材质 |
| 1 | 体管 | 20# | 10 | 轴承 | 低碳钢+PTFE |
| 2 | 接管 | 20# | 11 | 支管 | 20# |
| 3 | 球 | 304 | 12 | 阀杆O型圈 | 氟塑橡胶FKM |
| 4 | 阀座 | PTFE+C | 13 | 垫圈 | PTFE+C |
| 5 | 阀杆O型圈 | 氟塑橡胶FKM | 14 | 填料压盖 | 20# |
| 6 | 支撑环 | 60Si2Mn | 15 | 限位块 | Q235 |
| 7 | 碟簧 | 60Si2Mn | 16 | 轴用弹性挡圈 | 65Mn |
| 8 | 阀杆 | 2Cr13 | 17 | 手柄 | 25# |
| 9 | 止推垫 | PTFE+C | 18 | 内六角紧定螺钉M8×12 | 35# |
相关信息