您当前的位置:首页 / 产品展示 / 排泥阀 / 活塞式快开排泥阀 piston quick-open mud valve J644X-10/16
产品展示
产品详情
产品图纸

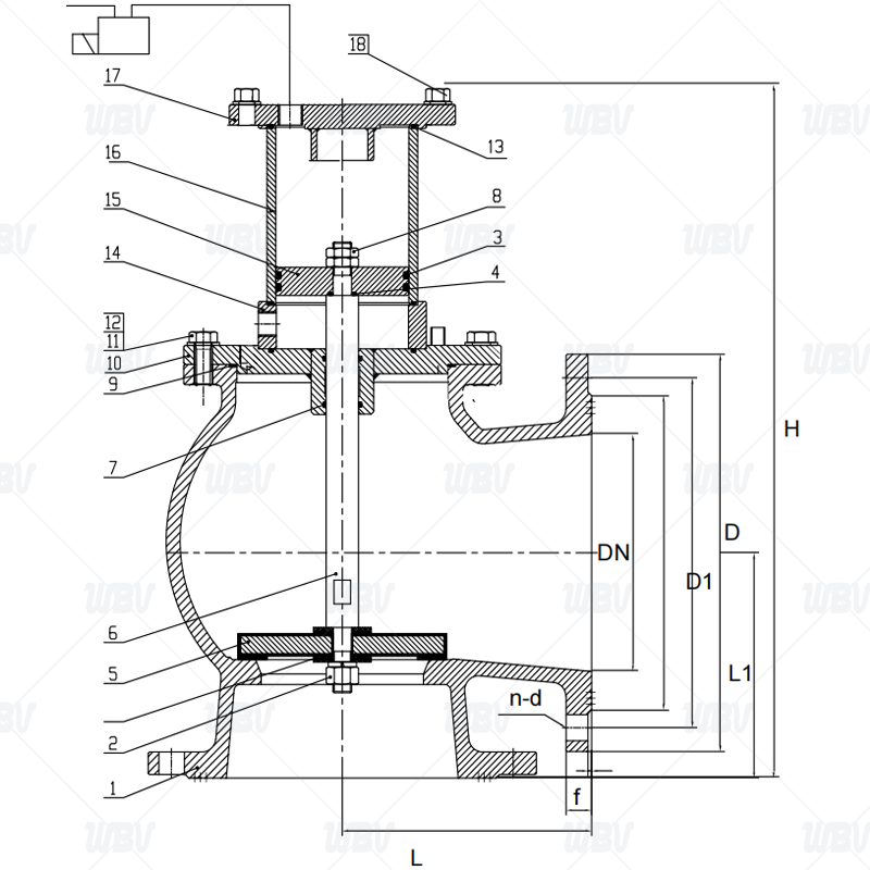
产品尺寸
| DN | n-d-PN10/16 | D-PN10 | D-PN16 | D1-PN10 | D1-PN16 | H | L | L1 | |
| 50 | 4-19 | 160 | 160 | 125 | 125 | 142 | 110 | ||
| 65 | 4-19 | 180 | 180 | 145 | 145 | 151 | 110 | ||
| 80 | 8-19 | 195 | 195 | 160 | 160 | 151 | 118 | ||
| 100 | 8-19 | 215 | 215 | 180 | 180 | 151 | 125 | ||
| 125 | 8-19 | 250 | 250 | 210 | 210 | ||||
| 150 | 8-23 | 280 | 280 | 240 | 240 | 181 | 150 | ||
| 200 | 8-23 | 12-23 | 335 | 335 | 295 | 295 | 218 | 176 | |
| 250 | 12-28 | 12-28 | 405 | 405 | 355 | 355 | 256 | 223 | |
| 300 | 12-23 | 12-28 | 460 | 460 | 400 | 410 | 317 | 280 | |
| 350 | 16-23 | 16-28 | 520 | 520 | 460 | 470 | 380 | 310 | |
| 400 | 16-28 | 16-31 | 580 | 580 | 515 | 525 | 380 | 310 | |
| 450 | 20-28 | 20-31 | 615 | 640 | 565 | 585 | 380 | 310 | |
技术资料
1.设计标准 CJ/T 196-2004
2.法兰标准 GB/T 17241-2024
3.试验与检验 GB/T 13927-2022
产品零件表
| 序号 | 名称 | 材质 | 数量 | 序号 | 名称 | 材质 | 数量 |
| 1 | 阀体 | QT450 | 1 | 10 | 中阀盖+缸座 | QT450 | 1 |
| 2 | 六角螺母 | A2-70 | 1 | 11 | 六角头螺栓 | A2-70 | 8 |
| 3 | V型圈 | NBR | 2 | 12 | 平垫圈 | A2 | 8 |
| 4 | O型密封圈 | NBR | 1 | 13 | O型密封圈 | NBR | 1 |
| 5 | 阀瓣 | QT450+NBR | 1 | 14 | 平垫圈 | A2 | 6 |
| 6 | 阀杆 | 2Cr13 | 1 | 15 | 活塞 | QT450 | 1 |
| 7 | O型密封圈 | NBR | 2 | 16 | 缸套 | 四氟 | 1 |
| 8 | 六角螺母 | A2-70 | 2 | 17 | 上阀盖 | QT450 | 1 |
| 9 | O型密封圈 | NBR | 1 | 18 | 六角头螺栓 | A2-70 | 6 |
相关信息