您当前的位置:首页 / 产品展示 / 对夹薄型球阀 / 锻压对夹薄型球阀 forged wafer thin ball valve Q71F-25
产品展示
产品详情
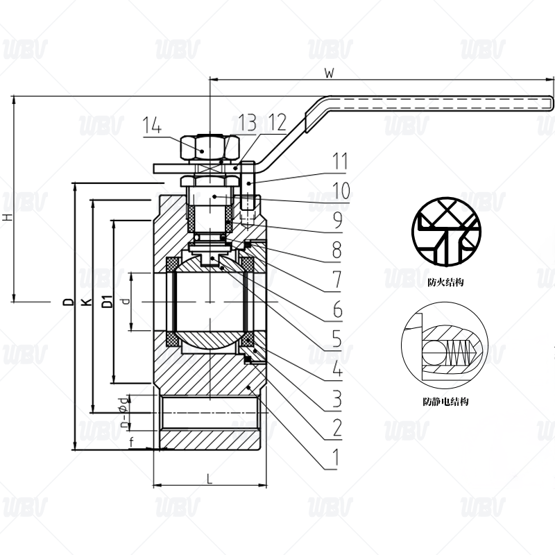
产品图纸

产品尺寸
| DN | NPS | d | L | D | K | D1 | n-Фd | f | H | W |
| 10 | 3/8" | 10 | 32 | 85 | 60 | 38 | 4-M12 | 2 | 60 | 125 |
| 15 | 1/2" | 15 | 35 | 95 | 65 | 46 | 4-M12 | 2 | 65 | 145 |
| 20 | 3/4" | 17 | 38 | 105 | 75 | 56 | 4-M12 | 2 | 68 | 145 |
| 25 | 1" | 24 | 45 | 115 | 85 | 65 | 4-M12 | 2 | 85 | 180 |
| 32 | 1 1/4" | 30 | 55 | 135 | 100 | 76 | 4-M16 | 2 | 90 | 180 |
| 40 | 1 1/2" | 36 | 62 | 145 | 110 | 84 | 4-M16 | 2 | 120 | 220 |
| 50 | 2" | 46 | 72 | 160 | 125 | 99 | 4-M16 | 3 | 130 | 230 |
| 65 | 2 1/2" | 57 | 95 | 180 | 145 | 118 | 4-M16 | 3 | 140 | 250 |
| 80 | 3" | 73 | 120 | 195 | 160 | 132 | 8-M16 | 3 | 145 | 290 |
| 100 | 4" | 90 | 140 | 230 | 190 | 156 | 8-M20 | 3 | 200 | 350 |
| 125 | 5" | 110 | 165 | 270 | 220 | 184 | 8-M24 | 3 | 215 | 460 |
| 150 | 6" | 145 | 225 | 300 | 250 | 211 | 8-M24 | 3 | 270 | 610 |
| 200 | 8" | 190 | 275 | 360 | 310 | 274 | 12-M24 | 3 | 330 | 840 |
技术资料
1.设计和制造按GB/T 12237-2021的标准
2.结构长度按GB/T 12221-2005的标准
3.压力试验按GB/T 13927-2022的标准
4.法兰尺寸按GB/T 9124.1-2019的标准
产品零件表
| 序号 | 名称 | 材质 | 序号 | 名称 | 材质 |
| 1 | 阀体 | CF8 | 8 | O型圈 | VITON |
| 2 | 接头垫圈 | RPTFE | 9 | 填料 | RPTFE |
| 3 | 阀盖 | SS304 | 10 | 压盖 | SS304 |
| 4 | 阀座 | PTFE | 11 | 定位螺栓 | A105 |
| 5 | 阀芯 | SS304 | 12 | 手柄 | SS304 |
| 6 | 阀杆 | SS304 | 13 | 弹性垫圈 | SS304 |
| 7 | 止推垫圈 | RPTFE | 14 | 螺母 | SS304 |
上一条:锻压对夹薄型球阀 forged wafer thin ball valve Q71F-40
下一条:气动对夹意式薄型球阀单作用气缸 pneumatic wafer thin ball valve SC Q671F-16
相关信息