您当前的位置:首页 / 产品展示 / 旋塞阀 / 旋塞阀 plug valve X43W-10
产品展示
产品详情
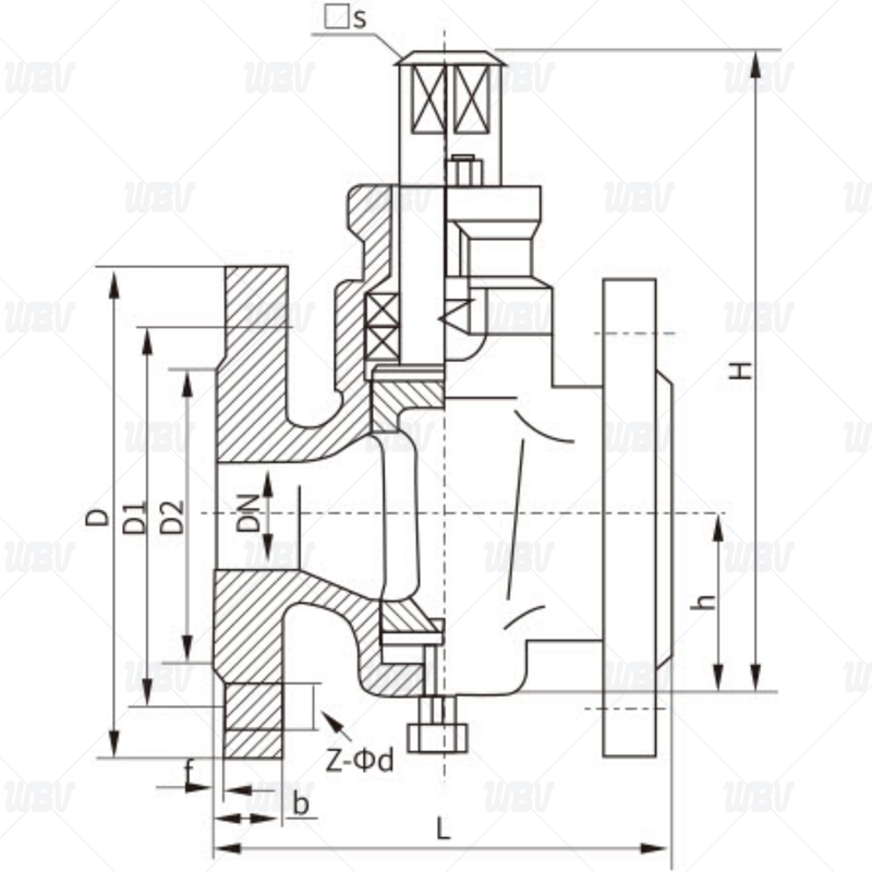
产品图纸

产品尺寸
| DN | L | D | D1 | D2 | D6 | b-f | f2 | Z-Фd |
| PN10 | ||||||||
| 15 | 80 | 95 | 65 | 45 | / | 12-2 | / | 4-Ф14 |
| 20 | 90 | 105 | 75 | 55 | / | 14-2 | / | 4-Ф14 |
| 25 | 110 | 115 | 85 | 65 | / | 14-2 | / | 4-Ф14 |
| 32 | 130 | 135 | 100 | 78 | / | 16-2 | / | 4-Ф18 |
| 40 | 150 | 145 | 110 | 85 | / | 18-3 | / | 4-Ф18 |
| 50 | 170 | 160 | 125 | 100 | / | 18-3 | / | 4-Ф18 |
| 65 | 220 | 180 | 145 | 125 | / | 20-3 | / | 4-Ф18 |
| 80 | 250 | 195 | 160 | 135 | / | 20-3 | / | 4-Ф18 |
| 100 | 300 | 215 | 180 | 155 | / | 22-3 | / | 8-Ф18 |
| 125 | 350 | 245 | 210 | 185 | / | 24-3 | / | 8-Ф18 |
| 150 | 400 | 280 | 240 | 210 | / | 24-3 | / | 8-Ф23 |
| 200 | 460 | 335 | 295 | 165 | / | 24-3 | / | 8-Ф23 |
| 250 | 530 | 390 | 350 | 320 | / | 26-3 | / | 12-Ф23 |
| 300 | 580 | 440 | 400 | 368 | / | 28-4 | / | 12-Ф23 |
相关信息