您当前的位置:首页 / 产品展示 / 锻钢球阀 / 三片式锻钢高压球阀 Q11F-300/900LB A105
产品展示
高压锻钢球阀采用浮动球结构,球体可以在介质压力作用下自动定位,确保密封面的紧密接触,从而实现良好的密封效果。其阀体和球体均采用高品质不锈钢材料制造,具有优异的耐腐蚀性和抗磨损性,能够在极端环境下长期稳定运行。
高压锻钢球阀的工作原理是通过旋转球体来实现流体的通断。球体上有通道,当球体旋转90度时,通道与阀门进出口对齐,流体可以通过;当球体继续旋转90度时,通道与进出口垂直,流体被切断。球阀的启闭动作迅速,操作简单方便,适用于需要频繁开关的场合。
应用场景
石油和天然气行业:在石油和天然气的开采、运输和加工过程中,高压不锈钢球阀能够承受高压力和高温度,确保管道系统的正常运行。
化工行业:化工生产过程中常常涉及腐蚀性介质,该球阀的耐腐蚀性能使其成为理想选择,能够有效防止介质泄漏。
电力行业:在电力系统的蒸汽和水管道中,高压不锈钢球阀可以控制流体的通断,调节系统压力,提高电力设备的运行效率。
产品详情
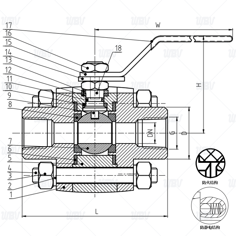
产品图纸

产品尺寸
| DN | G | DN | D | L | W | H |
| 15 | 1/2" | 14 | 35 | 98 | 145 | 70 |
| 20 | 3/4" | 20 | 40 | 111 | 160 | 80 |
| 25 | 1" | 23 | 50 | 126 | 170 | 90 |
| 32 | 1 1/4" | 32 | 60 | 140 | 170 | 110 |
| 40 | 1 1/2" | 38 | 65 | 152 | 170 | 120 |
| 50 | 2" | 49 | 78 | 158 | 280 | 130 |
技术资料
1.执行标准JB/T7746-2020
2.测试标准GB/T13927-2008
3.材质标准GB/T12230-2005
产品零件表
| 序号 | 名称 | 材质 | 序号 | 名称 | 材质 |
| 1 | 阀盖 | A105 | 10 | 止推垫圈 | RPTFE |
| 2 | 螺栓垫圈 | F304 | 11 | O型圈 | VITON |
| 3 | 六角螺母 | A194 8 | 12 | 填料 | RPTFE |
| 4 | 螺栓 | A193 B8 | 13 | 压盖 | A105 |
| 5 | 阀体 | A105 | 14 | 定位片 | F304 |
| 6 | 弹性垫圈 | RPTFE | 15 | 手柄 | 1Cr13 |
| 7 | 球 | F304 | 16 | 阀杆螺母 | A194 8 |
| 8 | 阀座 | RPTFE | 17 | 塑料盖 | PLASTIC |
| 9 | 阀杆 | F304 | 18 | 销钉 | F304 |
相关信息