您当前的位置:首页 / 产品展示 / 锻钢球阀 / 三片式锻钢高压带锁球阀 Q11F-800/1500LB
产品展示
产品详情
产品图纸

产品尺寸
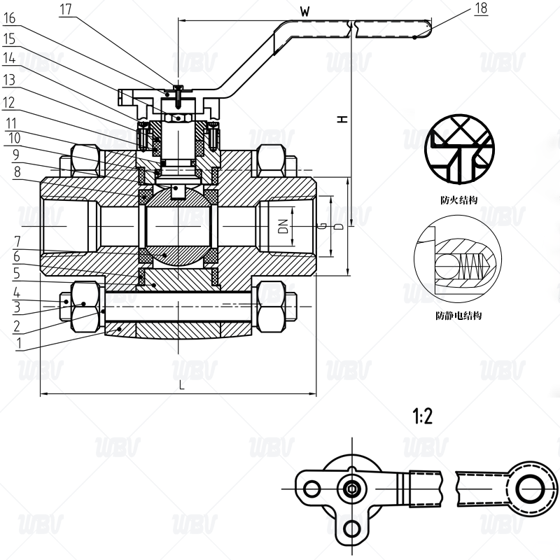
| 800LB PN140 | ||||||
| NPS | G | DN | D | L | W | H |
| 1/2" | 1/2" | 14 | 35 | 112 | 150 | 90 |
| 3/4" | 3/4" | 20 | 40 | 121 | 160 | 100 |
| 1" | 1" | 23 | 50 | 131 | 180 | 115 |
| 1 1/4" | 1 1/4" | 30 | 60 | 135 | 198 | 108 |
| 1 1/2" | 1 1/2" | 37 | 65 | 145 | 239 | 112 |
| 2" | 2" | 49 | 78 | 175 | 239 | 122 |
| 1500LB PN250 | ||||||
| NPS | G | DN | D | L | W | H |
| 1/2" | 1/2" | 12.5 | 35 | 110 | 141 | 72 |
| 3/4" | 3/4" | 17 | 40 | 125 | 198 | 100 |
| 1" | 1" | 24 | 50 | 135 | 198 | 108 |
| 1 1/4" | 1 1/4" | 30 | 60 | 145 | 239 | 112 |
| 1 1/2" | 1 1/2" | 37 | 65 | 175 | 239 | 122 |
| 2" | 2" | 49 | 78 | 220 | 239 | 122 |
技术资料
1.执行标准JB/T7746-2020
2.测试标准GB/T13927-2008
3.螺纹标准GB/T8464-2023
4.结构长度标准DIN3202-M3
5.材质标准GB/T12230-2005
产品零件表
| 序号 | 名称 | 材质 | 序号 | 名称 | 材质 |
| 1 | 阀盖 | A182 F304 | 10 | 止推垫片 | RPTFE |
| 2 | 弹性垫圈 | SS304 | 11 | O型圈 | VITON |
| 3 | 六角螺母 | A194 8 | 12 | 填料 | 柔性石墨 |
| 4 | 螺栓 | A193 B8 | 13 | 压盖 | SS304/SS316 |
| 5 | 阀体 | A182 F304 | 14 | 螺栓 | A193 B8 |
| 6 | 垫片 | SS304+柔性石墨 | 15 | 阀杆螺母 | A194 8 |
| 7 | 球 | A182 F304 | 16 | 手柄 | ASTM A536 60-40-18 |
| 8 | 阀座 | RPTFE | 17 | 螺栓 | SS304/SS316 |
| 9 | 阀杆 | A182 F304 | 18 | 手柄套 | 塑料 |
相关信息