您当前的位置:首页 / 产品展示 / 调节阀 / 气动套筒调节阀 pneumatic sleeve control valve ZJHM-16/40/64
产品展示
公称通径:DN20~DN200
结构形式:单座、套筒式、笼式
公称压力:1.6Mpa~6.4Mpa
连接方式:法兰、焊接、螺纹
适用温度:-29ºC~+550ºC
驱动方式:气动
阀体材质:铸钢、不锈钢
制造标准:国标GB、德国DIN、美国API、ANSI
适用介质:水、油、蒸汽、液体
产品详情
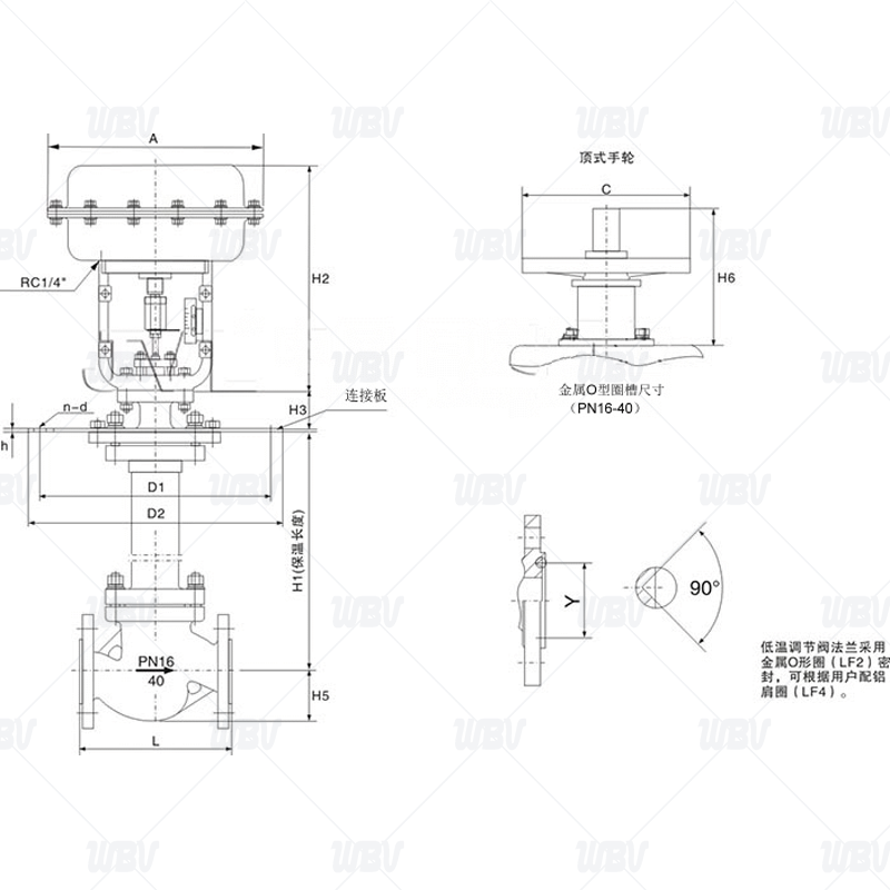
产品图纸

产品尺寸
| 公祢通径 | 20 | 25 | 32 | 40 | 50 | 65 | 80 | 100 | 125 | 150 | 200 | |
| L | PN16/40 | 181 | 184 | 220 | 222 | 254 | 276 | 298 | 352 | 410 | 451 | 600 |
| PN64 | 206 | 210 | 251 | 251 | 286 | 311 | 337 | 394 | 457 | 508 | 650 | |
| A | 285 | 285 | 285 | 285 | 285 | 360 | 360 | 360 | 470 | 470 | 470 | |
| H1 | PN16/40 | 128 | 128 | 152 | 152 | 160 | 205 | 205 | 208 | 273 | 330 | 364 |
| PN64 | 140 | 140 | 160 | 160 | 180 | 210 | 210 | 220 | 290 | 340 | 370 | |
| H2 | 298 | 298 | 298 | 298 | 298 | 380 | 380 | 380 | 510 | 510 | 510 | |
| H3 | PN16/40 | 208 | 208 | 224 | 228 | 228 | 334 | 334 | 342 | 408 | 453 | 482 |
| PN64 | 220 | 220 | 240 | 240 | 240 | 350 | 350 | 360 | 420 | 470 | 500 | |
| H4 | 238 | 238 | 402 | 402 | 405 | 627 | 628 | 635 | 698 | 702 | 728 | |
| H5 | PN16/40 | 53 | 58 | 68 | 73 | 80 | 90 | 98 | 108 | 123 | 140 | 168 |
| PN64 | 63 | 68 | 75 | 83 | 88 | 100 | 105 | 125 | 148 | 170 | 203 | |
| C | 220 | 220 | 220 | 220 | 220 | 270 | 270 | 270 | 320 | 320 | 320 | |
| H6 | 180 | 180 | 180 | 180 | 180 | 236 | 236 | 236 | 310 | 310 | 310 | |
| 重量(kg) | PN16/40 | 21 | 22 | 24 | 32 | 38 | 62 | 67 | 83 | 132 | 160 | 245 |
| PN64 | 24 | 25 | 30 | 42 | 52 | 78 | 82 | 102 | 170 | 190 | 285 |
技术资料
1.执行标准 GB/T 4213-2024
2.结构长度标准:GB/T12221-2005
3.法兰标准:GB/T9113.1-2000
4.试验标准:GB/T13927-2022
产品零件表
| 名称 | 材料 |
| 阀体、阀盖 | WCB/WCC/WC6/CF8/CF8M/CF3/CF3M |
| 阀芯、套筒 | CF8/CF8M/CF3M+STL/17-4PH |
| 填料 | PTFE/RTFE/Graphite |
| 密封垫片 | XB350/304(特殊情况下采用) |
| 波纹膜片 | NBR+T |
| 阀杆 | 304 316 316L 17-4PH |
相关信息