您当前的位置:首页 / 产品展示 / 柱塞阀 / 硬密封柱塞截止阀 hard sealed plunger globe valve UJ41H 温度425℃
产品展示
产品详情
产品图纸

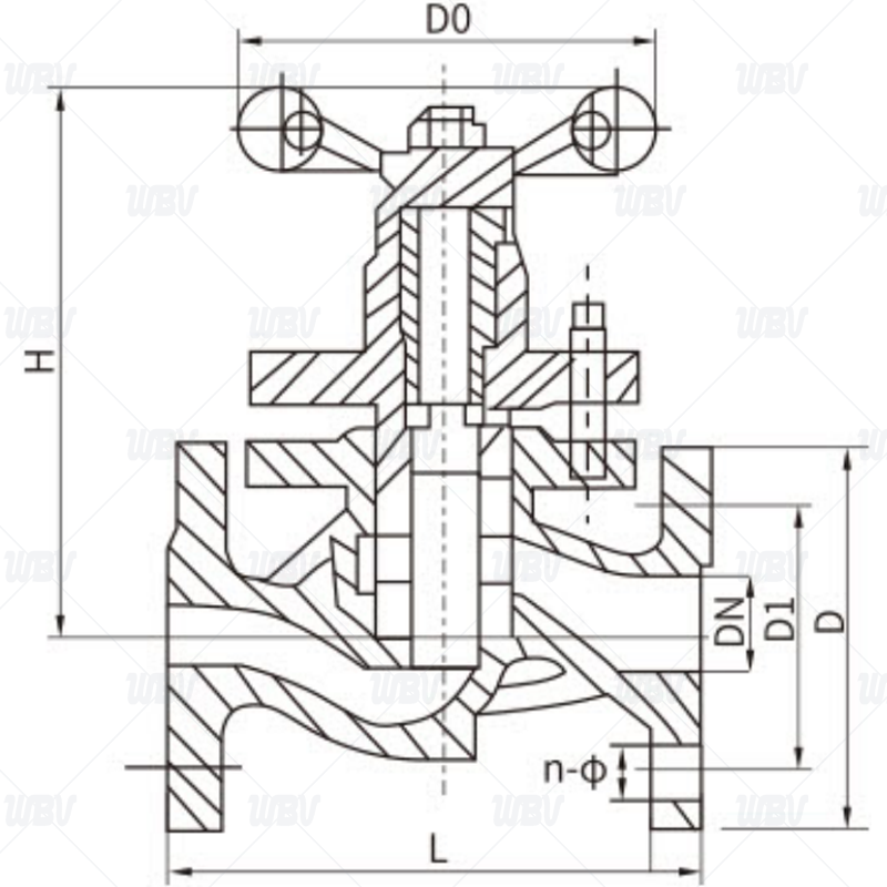
产品尺寸
| 通径DN | 尺寸 | |||||||
| L | H | W | D2 | K | D1 | t | n-Ф | |
| U41S-16C | ||||||||
| 15 | 130 | 170 | 100 | 95 | 65 | 45 | 14 | 4-14 |
| 20 | 150 | 190 | 100 | 105 | 75 | 55 | 14 | 4-14 |
| 25 | 160 | 200 | 120 | 115 | 85 | 65 | 14 | 4-18 |
| 32 | 180 | 230 | 140 | 135 | 100 | 78 | 16 | 4-18 |
| 40 | 200 | 260 | 160 | 145 | 110 | 85 | 16 | 4-18 |
| 50 | 230 | 280 | 180 | 160 | 125 | 100 | 16 | 4-18 |
| 65 | 290 | 300 | 200 | 180 | 145 | 120 | 18 | 4-18 |
| 80 | 310 | 370 | 240 | 195 | 160 | 135 | 20 | 8-18 |
| 100 | 350 | 400 | 270 | 215 | 180 | 155 | 20 | 8-18 |
| 125 | 400 | 420 | 310 | 245 | 210 | 185 | 22 | 8-18 |
| 150 | 480 | 510 | 340 | 280 | 240 | 210 | 24 | 8-23 |
| 200 | 495 | 590 | 400 | 335 | 295 | 265 | 26 | 12-23 |
| 250 | 622 | 710 | 520 | 405 | 355 | 320 | 30 | 12-25 |
| 300 | 698 | 830 | 640 | 460 | 410 | 375 | 30 | 12-25 |
| 350 | 787 | 950 | 760 | 520 | 470 | 435 | 34 | 16-25 |
| 400 | 914 | 1080 | 900 | 580 | 525 | 485 | 36 | 16-30 |
| 通径DN | 尺寸 | |||||||
| L | H | W | D2 | K | D1 | t | n-Ф | |
| U41S-25C | ||||||||
| 15 | 130 | 170 | 100 | 95 | 65 | 45 | 16 | 4-14 |
| 20 | 150 | 190 | 100 | 105 | 75 | 55 | 16 | 4-14 |
| 25 | 160 | 200 | 120 | 115 | 85 | 65 | 16 | 4-14 |
| 32 | 180 | 230 | 140 | 135 | 100 | 78 | 18 | 4-18 |
| 40 | 200 | 260 | 160 | 145 | 110 | 85 | 18 | 4-18 |
| 50 | 230 | 280 | 180 | 160 | 125 | 100 | 20 | 4-18 |
| 65 | 290 | 300 | 200 | 180 | 145 | 120 | 22 | 8-18 |
| 80 | 310 | 370 | 240 | 195 | 160 | 135 | 22 | 8-18 |
| 100 | 350 | 400 | 270 | 230 | 190 | 160 | 24 | 8-23 |
| 125 | 400 | 420 | 310 | 270 | 220 | 188 | 28 | 8-25 |
| 150 | 480 | 510 | 340 | 300 | 250 | 218 | 30 | 8-25 |
| 200 | 495 | 590 | 400 | 360 | 310 | 278 | 34 | 12-25 |
| 250 | 622 | 710 | 520 | 425 | 370 | 332 | 36 | 12-30 |
| 300 | 698 | 830 | 640 | 485 | 430 | 390 | 40 | 16-30 |
| 350 | 787 | 950 | 760 | 550 | 490 | 448 | 44 | 16-34 |
| 400 | 914 | 1080 | 900 | 610 | 550 | 505 | 48 | 16-34 |
技术资料
1.执行标准JB/T12526-2015
2.结构长度标准GB/T12221-2005
3.法兰标准GB/T9113-2010
4.试验标准GB/T13927-2022
相关信息