产品展示
产品详情
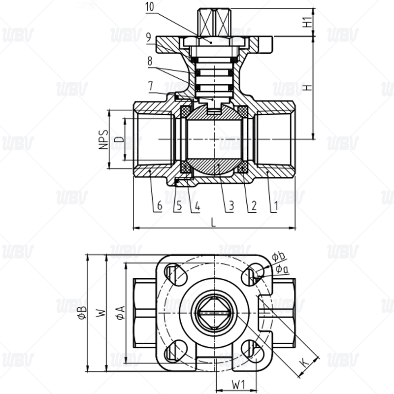
产品图纸

产品尺寸
| NPS | DN | D | L | H | H1 | ФA | ФB | Фa | Фb | K | W | W1 |
| 1/2" | 15 | 15 | 58 | 37 | 10 | 36 | 42 | 6 | 6 | 9 | 41.7 | 13 |
| 3/4" | 20 | 20 | 66 | 40 | 10 | 36 | 42 | 6 | 6 | 9 | 41.7 | 13 |
| 1" | 25 | 24 | 72 | 54 | 11 | 42 | 50 | 6 | 7 | 11 | 50.4 | 14 |
| 1 1/4" | 32 | 32 | 83 | 60 | 11 | 42 | 50 | 6 | 7 | 11 | 50.4 | 14 |
| 1 1/2" | 40 | 38 | 95 | 70 | 14 | 50 | 70 | 7 | 9 | 14 | 69.5 | 16 |
| 2" | 50 | 49 | 110 | 68 | 14 | 50 | 70 | 7 | 9 | 14 | 69.5 | 16 |
技术资料
1.执行标准按GB/T 8464-2023
2.测试按GB/T 13927-2008
3.材质按GB/T 12230-2005
产品零件表
| 名称 | 材质 | 序号 | 名称 | 材质 |
| 阀体 | CF8 | 6 | 阀盖 | CF8 |
| 密封圈 | PTFE | 7 | 阀杆 | SS304 |
| 球体 | SS304 | 8 | O型圈 | 氟橡胶FPM |
| 密封圈 | PTFE | 9 | 垫片 | PTFE |
| 并帽 | PTFE | 10 | 并帽 | SS304 |
相关信息