您当前的位置:首页 / 产品展示 / 螺纹连接球阀 / 二片式德标球阀G1螺纹 DIN 2PC ball valve Q11F-40/160 WCB
产品展示
产品详情
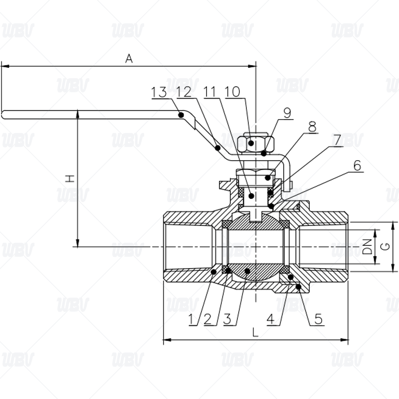
产品图纸

产品尺寸
| NPS | DN | G | L | H | A |
| 1/2" | 14 | 1/2" | 76 | 56 | 110 |
| 3/4" | 19 | 3/4" | 80 | 56 | 110 |
| 1" | 24 | 1" | 90 | 70 | 130 |
| 1 1/4" | 32 | 1 1/4" | 110 | 75 | 150 |
| 1 1/2" | 38 | 1 1/2" | 120 | 90 | 160 |
| 2" | 48 | 2" | 140 | 100 | 160 |
技术资料
1.执行按GB/T 8464-2023的标准
2.测试按GB/T 13927-2008的标准
3.结构长度按DIN 3202-M3的标准
4.材质按GB/T 12230-2005的标准
产品零件表
| 序号 | 名称 | 材质 | 序号 | 名称 | 材质 |
| 1 | 阀体 | WCB | 8 | 阀杆 | SS304 |
| 2 | 阀座 | RPTFE+C | 9 | 填料 | PTFE+C |
| 3 | 阀芯 | CF8 | 10 | O型圈 | 氟橡胶FKM |
| 4 | 阀座 | RPTFE+C | 11 | 压盖 | SS304 |
| 5 | 接头圈 | PTFE+C | 12 | 手柄 | 1Cr13 |
| 6 | 阀盖 | CF8 | 13 | 防松螺母 | SS304 |
| 7 | 止推垫 | PTFE+C |
相关信息