您当前的位置:首页 / 产品展示 / 三通球阀 / 内螺纹高平台三通球阀 RC high-platform tee ball valve Q14/Q15F-64
产品展示
三通球阀是球阀的一种,用于介质流向的切换,能使相互垂直的两个通道连通。广泛适用于环保、油品、冶金、蒸汽、能源、造纸、食品等管路系统中对介质进行流向改变或达到对介质分流或混合。
三通球阀分有三通L型球阀和三通T型球阀两种,可以满足不同的经营工艺要求。原理作用:三通L型球阀是对三条管道中的两条管道进行切断,三通T型球阀实现把三条连通管道进行合流与分流。
1、双作用三通球阀工作原理:
三通球阀打开:2口进气、4口排气,推动两活塞分开向两边移动,输出轴逆时针方向转动;
三通球阀关闭:4口进气、2口排气,推动两活塞向中心合拢,输出轴顺时针方向转动。
2、单作用三通球阀工作原理:
三通球阀打开:2口进气、4口排气,推动两活塞分开向两边移动,同时压缩弹簧,输出轴逆时针方向转动;
三通球阀关闭:失气或失电时,弹簧推动两活塞合拢向中心移动,输出轴顺时针方向转动。
三通球阀特点:
1、三通球阀在结构上采用三体化结构,4面阀座的密封型式,连接方便,可靠性高。
2、三通球芯分T型和L型,使用寿命长,流通能力大,阻力小
3、球阀按作用式分单作用和双作用两种型式,单作用式的特点是一旦动力源发生故障时,球阀将处于控制系统要求的状态。
三通球阀是一种三通道的回转型球阀,用于介质分流、合流及流向切换,任何一个管道都可以作为入口或出口。可以满足不同的生产工艺要求,可以根据需要,任何一个管道都可以作为入口或出口。
产品详情
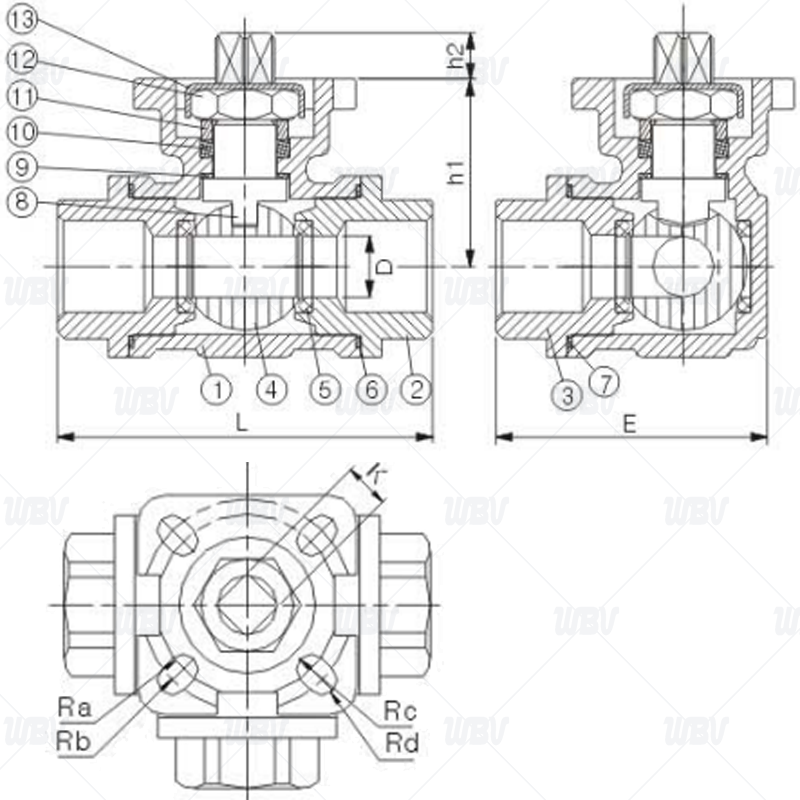
产品图纸
产品尺寸
| NPS | D | L | h1 | h2 | E | Ra | Rb | Rc | Rd | K |
| 1/2" | 12 | 73.5 | 36.75 | 9 | 39 | 18 | 21 | 3 | 3 | 9 |
| 3/4" | 15 | 82.5 | 39.75 | 9 | 47.5 | 18 | 21 | 3 | 3 | 9 |
| 1" | 18 | 89 | 47.25 | 11 | 53 | 21 | 25 | 3 | 3.5 | 11 |
| 1 1/4" | 25 | 125.5 | 56 | 11 | 75 | 21 | 25 | 3 | 3.5 | 11 |
| 1 1/2" | 32 | 139 | 71.5 | 14 | 76.5 | 25 | 35 | 3.5 | 4.5 | 14 |
| 2" | 45 | 154.5 | 77 | 14 | 98 | 25 | 35 | 3.5 | 4.5 | 14 |
技术资料
1.设计和制造按GB/T 12237-2021的标准
2.结构长度按GB/T 12221-2005的标准
3.压力试验按GB/T 13927-2022的标准
4.螺纹按NPT,BSPT,DIN259/2999,ISO228 CLASS A的标准
产品零件表
| 序号 | 名称 | 材质 |
| 1 | 阀体 | CF8/CF8M |
| 2 | 阀盖 | CF8/CF8M |
| 3 | 阀盖 | CF8/CF8M |
| 4 | 球 | SS304/SS316/SS |
| 5 | 阀座 | PTFE |
| 6 | 弹性垫圈-A | PTFE |
| 7 | 弹性垫圈-B | PTFE |
| 8 | 阀杆 | SS304/SS316/SS |
| 9 | 填料 | PTFE |
| 10 | 填料压盖 | SS304/SS |
| 11 | 弹簧垫圈 | SS304/SS |
| 12 | 阀杆螺母 | SS304/SS |
| 13 | 并帽 | SS304/SS |
相关信息