您当前的位置:首页 / 产品展示 / 管夹阀 / 手动管夹阀 manual pipe clamp valve GJ41X-10
产品展示
产品详情
产品图纸

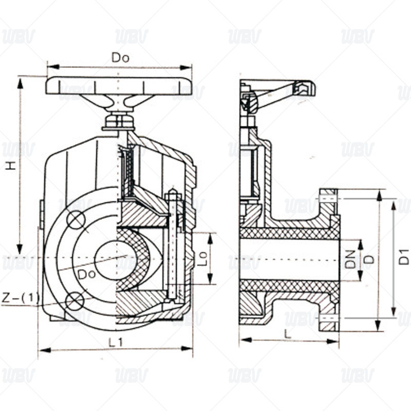
产品尺寸
| 公称压力(Mpa) | 公称通径(DN) | L | L1 | L0 | D | D1 | D0 | H | Z-Ф |
| 0.4/0.6 | 25 | 142 | 124 | 31 | 115 | 85 | 120 | 150 | 4-14 |
| 32 | 160 | 145 | 40 | *140 | 100 | 140 | 170 | 4-18 | |
| 40 | 180 | 157 | 50 | *150 | 110 | 140 | 186 | 4-18 | |
| 50 | 210 | 160 | 60 | 160 | 125 | 160 | 205 | 4-18 | |
| 65 | 250 | 199 | 74 | 180 | 145 | 160 | 238 | 4-18 | |
| 80 | 300 | 222 | 88 | 195 | 160 | 200 | 241 | 4-18 | |
| 100 | 350 | 250 | 106 | 215 | 180 | 240 | 301 | 8-18 | |
| 125 | 430 | 318 | 134 | 245 | 210 | 280 | 360 | 8-18 | |
| 150 | 500 | 350 | 156 | 280 | 240 | 320 | 405 | 8-23 | |
| 200 | 650 | 446 | 206 | 335 | 295 | 560 | 545 | 8-23 | |
| 250 | 800 | 516 | 256 | *395 | 350 | 560 | 632 | 12-23 | |
| 300 | 950 | 562 | 304 | *445 | 400 | 620 | 741 | 12-23 | |
| 350 | 890 | 650 | 520 | 470 | 650 | 700 | 16-26 | ||
| 400 | 1090 | 650 | 580 | 525 | 650 | 760 | 16-30 | ||
| 450 | 1120 | 680 | 640 | 585 | 680 | 820 | 20-30 | ||
| 500 | 1240 | 680 | 715 | 650 | 680 | 870 | 20-33 | ||
| 600 | 1450 | 750 | 840 | 770 | 750 | 1000 | 20-36 | ||
| 700 | 1650 | 800 | 860 | 810 | 800 | 1100 | 24-26 |
技术资料
1.执行标准Q/JBGN02
2.结构长度标准Q/JBGN02
3.法兰连接标准JB/T78-1994
4.衬里层电火花检测实验与检验标准GB/T13927-2022
产品零件表
| 名称 | 材质 |
| 阀体 | 1050/PP |
| 橡胶套管 | NR |
| 大小阀杆 | A105 |
| 压板 | QT400 |
| 拉杆 | QT400 |
| 托架 | QT400 |
| 手轮 | QT400 |
相关信息