您当前的位置:首页 / 产品展示 / 过滤器 / 美标不锈钢Y型过滤器 ANSI s.s. flange Y-strainer GL41W-
产品展示
产品详情
产品图纸

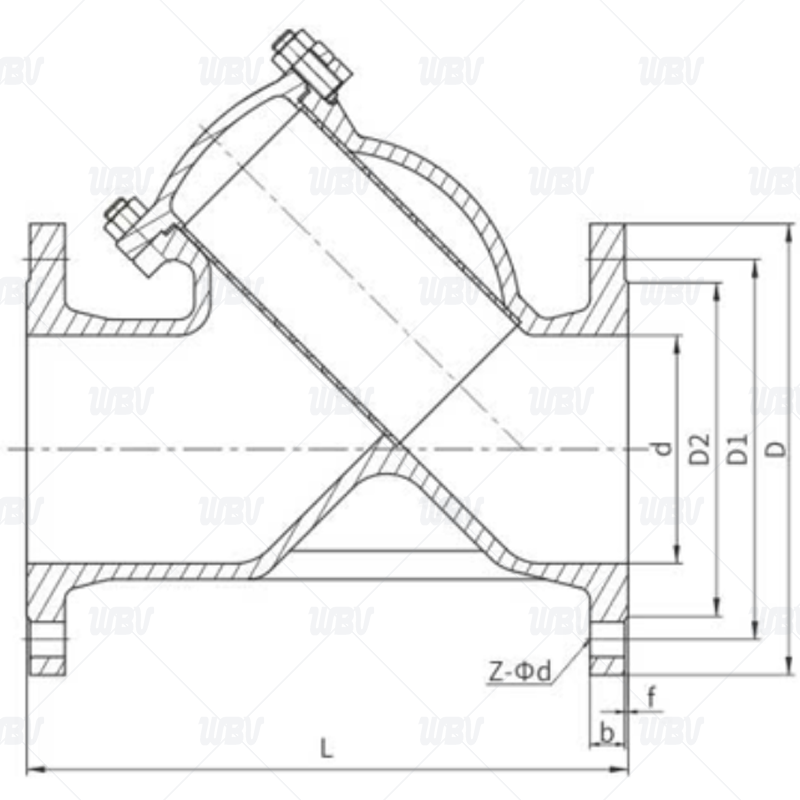
产品尺寸
| 150LB | |||||||||
| NPS | L | d | D | D1 | D2 | D6 | b-f | f2 | Z-Фd |
| 1/2" | 166 | 15 | 90 | 60.3 | 34.9 | / | 8-2 | / | 4-16 |
| 3/4" | 188 | 20 | 100 | 69.9 | 42.9 | / | 8.9-2 | / | 4-16 |
| 1" | 188 | 25 | 110 | 79.4 | 50.8 | / | 9.6-2 | / | 4-16 |
| 1 1/4" | 178 | 32 | 115 | 88.9 | 63.5 | / | 11.2-2 | / | 4-16 |
| 1 1/2" | 181 | 40 | 125 | 98.4 | 73 | / | 12.7-2 | / | 4-16 |
| 2" | 200 | 50 | 150 | 120.7 | 92.1 | / | 14.3-2 | / | 4-19 |
| 2 1/2" | 248 | 63 | 180 | 139.7 | 104.8 | / | 15.9-2 | / | 4-19 |
| 3" | 256 | 76 | 190 | 152.4 | 127 | / | 17.5-2 | / | 4-19 |
| 4" | 308 | 100 | 230 | 190.5 | 157.2 | / | 22.3-2 | / | 8-19 |
| 6" | 470 | 150 | 280 | 241.3 | 215.9 | / | 23.9-2 | / | 8-22 |
| 8" | 543 | 200 | 345 | 298.5 | 269.9 | / | 27-2 | / | 8-22 |
| 10" | 661 | 250 | 405 | 362 | 323.8 | / | 28.6-2 | / | 12-25 |
| 12" | 759 | 300 | 485 | 431.8 | 381 | / | 30.2-2 | / | 12-25 |
| 300LB | |||||||||
| NPS | L | d | D | D1 | D2 | D6 | b-f | f2 | Z-Фd |
| 1/2" | 169 | 15 | 95 | 66.7 | 34.9 | / | 12.7-2 | / | 4-16 |
| 3/4" | 212 | 20 | 115 | 82.6 | 42.9 | / | 14.3-2 | / | 4-19 |
| 1" | 212 | 25 | 125 | 88.9 | 50.8 | / | 15.9-2 | / | 4-19 |
| 1 1/4" | 258 | 32 | 135 | 98.4 | 63.5 | / | 17.5-2 | / | 4-19 |
| 1 1/2" | 261 | 40 | 155 | 114.3 | 73 | / | 19.1-2 | / | 4-22 |
| 2" | 245 | 50 | 165 | 127 | 92.1 | / | 20.7-2 | / | 8-19 |
| 2 1/2" | 270 | 63 | 190 | 149.2 | 104.8 | / | 23.9-2 | / | 8-22.5 |
| 3" | 305 | 76 | 210 | 168.3 | 127 | / | 27-2 | / | 8-22.5 |
| 4" | 369 | 100 | 255 | 200 | 157.2 | / | 30.2-2 | / | 8-22.5 |
| 6" | 491 | 150 | 320 | 269.9 | 215.9 | / | 35-2 | / | 12-22.5 |
| 8" | 594 | 200 | 380 | 330.2 | 269.9 | / | 39.7-2 | / | 12-25.5 |
| 10" | 696 | 250 | 445 | 387.4 | 323.8 | / | 46.1-2 | / | 16-29 |
技术资料
1.执行标准JIS B2071 B2081 ASME B16.34
2.结构长度标准JIS B2002 ASME B16.34
3.法兰尺寸标准JIS B2212 B2214 ASME B16.5
4.压力-温度标准JISB2017B2081 ASME B16.34
5.试验与检验标准JIS B2003 API 598
产品零件表
| 阀盖瓣摇杆导向套 | 滤网 | 垫片 | 工作温度 | 适用介质 |
| WCB | SS304 | 增强柔性石墨 1Cr13/柔性石墨 不锈钢/耐酸石棉 PTFE 齿型垫片 | ≤425℃ | 水/蒸汽/油品 |
| WC1 | ≤450℃ | |||
| WC6 | ≤540℃ | |||
| WC9 | ≤570℃ | |||
| C5C12 | ≤540℃ | |||
| CF8 | ≤200℃ | 醋酸类/硝酸类 | ||
| CF8M | ||||
| CF3 | SS316L | |||
| CF3M |
相关信息