您当前的位置:首页 / 产品展示 / 止回阀 / 碳钢法兰立式止回阀 c.s flange vertical check valve H42W-16/25
产品展示
产品详情
产品图纸

产品尺寸
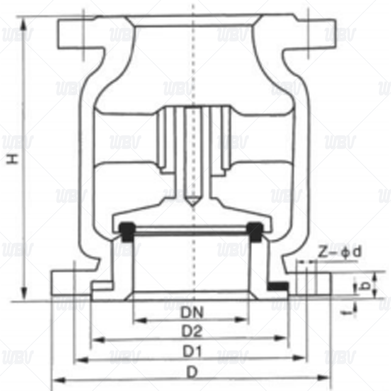
| 公称压力(Mpa) | 公称通径(mm) | L | D | D1 | D2 | b-f | Z-Фd |
| PN16 | 15 | 86 | 95 | 65 | 45 | 14-2 | 4-14 |
| 20 | 96 | 105 | 75 | 55 | 14-2 | 4-14 | |
| 25 | 106 | 115 | 85 | 65 | 14-2 | 4-14 | |
| 32 | 152 | 135 | 100 | 78 | 16-2 | 4-18 | |
| 40 | 160 | 145 | 110 | 85 | 16-3 | 4-18 | |
| 50 | 170 | 160 | 125 | 100 | 16-3 | 4-18 | |
| 65 | 180 | 180 | 145 | 120 | 18-3 | 4-18 | |
| 80 | 200 | 195 | 160 | 135 | 20-3 | 8-18 | |
| 100 | 210 | 215 | 180 | 155 | 20-3 | 8-18 | |
| 125 | 280 | 245 | 210 | 185 | 22-3 | 8-18 | |
| 150 | 300 | 280 | 240 | 210 | 24-3 | 8-23 | |
| 200 | 380 | 335 | 295 | 265 | 26-3 | 12-23 | |
| 250 | 450 | 405 | 355 | 320 | 30-3 | 12-26 | |
| 300 | 450 | 460 | 410 | 375 | 30-4 | 12-26 | |
| 350 | 500 | 520 | 470 | 435 | 34-4 | 16-26 | |
| 400 | 550 | 580 | 525 | 485 | 36-4 | 16-30 | |
| 450 | 600 | 640 | 585 | 545 | 40-4 | 20-30 | |
| 500 | 650 | 705 | 650 | 608 | 44-4 | 20-34 | |
| 公称压力(Mpa) | 公称通径(mm) | L | D | D1 | D2 | b-f | Z-Фd |
| PN25 | 15 | 86 | 95 | 65 | 45 | 16-2 | 4-14 |
| 20 | 96 | 105 | 75 | 55 | 16-2 | 4-14 | |
| 25 | 106 | 115 | 85 | 65 | 16-2 | 4-14 | |
| 32 | 152 | 135 | 100 | 78 | 18-2 | 4-18 | |
| 40 | 160 | 145 | 110 | 85 | 18-3 | 4-18 | |
| 50 | 170 | 160 | 125 | 100 | 20-3 | 4-18 | |
| 65 | 180 | 180 | 145 | 120 | 22-3 | 8-18 | |
| 80 | 200 | 195 | 160 | 135 | 22-3 | 8-18 | |
| 100 | 210 | 230 | 180 | 160 | 24-3 | 8-23 | |
| 125 | 280 | 270 | 220 | 188 | 28-3 | 8-26 | |
| 150 | 300 | 300 | 250 | 218 | 30-3 | 8-26 | |
| 200 | 380 | 360 | 310 | 278 | 34-3 | 12-26 | |
| 250 | 450 | 425 | 370 | 332 | 36-3 | 12-30 | |
| 300 | 450 | 485 | 430 | 390 | 40-4 | 16-30 | |
| 350 | 500 | 550 | 490 | 448 | 44-4 | 16-34 | |
| 400 | 550 | 610 | 550 | 505 | 48-4 | 16-36 | |
| 450 | 600 | 660 | 600 | 555 | 50-4 | 20-36 | |
| 500 | 650 | 730 | 660 | 610 | 52-4 | 20-41 |
技术资料
1.执行标准GB/T 12236-2008
2.结构长度标准GB/T 12221-2005
3.法兰尺寸标准GB/T9113.1
4.检验标准JB/T 9092-1999
相关信息