您当前的位置:首页 / 产品展示 / 止回阀 / 锻钢碳钢美标旋启式止回阀 H44H-150LB/300LB/600LB/900LB/1500LB
产品展示
螺栓/焊接连接阀盖,缩径和全径
末端连接为法兰,设计按API602,BS5352,ASME16.34
产品详情
产品图纸

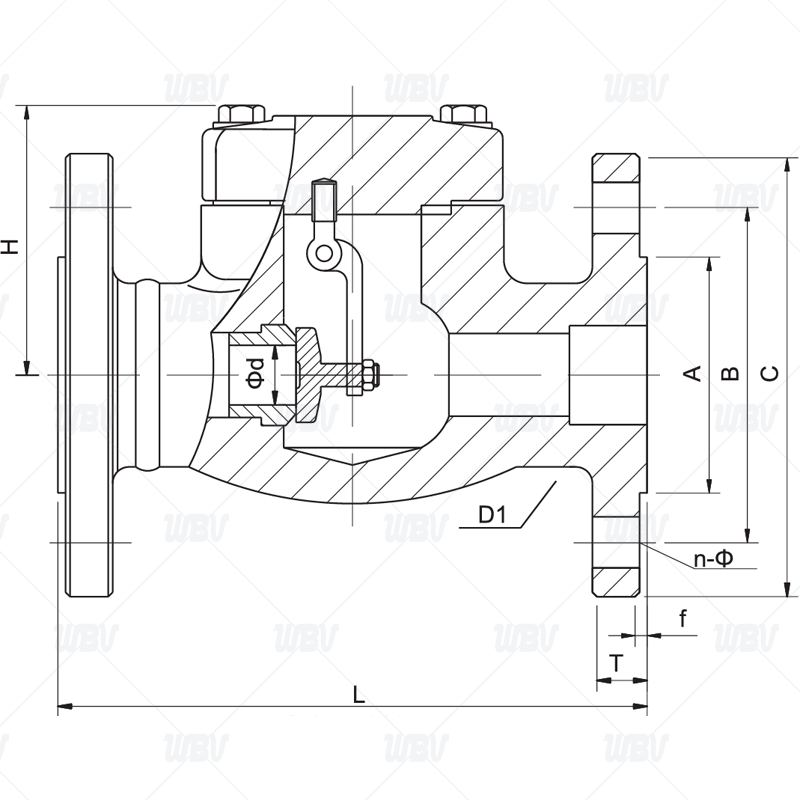
产品尺寸
| 150LB RF | |||||||||
| NPS(英寸) | Ød | L | H | A | B | C | T | F | n-Ø |
| 1/2″ | 10.5 | 108 | 63 | 35 | 60.5 | 90 | 11.6 | 2 | 4-16 |
| 3/4″ | 13 | 117 | 65 | 43 | 70 | 100 | 13.2 | 2 | 4-16 |
| 1″ | 17.5 | 127 | 80 | 51 | 79.5 | 110 | 14.5 | 2 | 4-16 |
| 1 1/4″ | 24 | 140 | 90 | 63.5 | 89 | 115 | 16 | 2 | 4-16 |
| 1 1/2″ | 29 | 165 | 101 | 73 | 98.5 | 125 | 17.5 | 2 | 4-16 |
| 2″ | 36.5 | 203 | 120 | 92 | 120.5 | 150 | 19.5 | 2 | 4-19 |
| 300LB RF | |||||||||
| NPS(英寸) | Ød | L | H | A | B | C | T | F | n-Ø |
| 1/2″ | 10.5 | 152 | 63 | 35 | 66.5 | 95 | 14.7 | 2 | 4-16 |
| 3/4″ | 13 | 178 | 65 | 43 | 82.5 | 115 | 16.3 | 2 | 4-19 |
| 1″ | 17.5 | 203 | 80 | 51 | 89 | 125 | 17.9 | 2 | 4-19 |
| 1 1/4″ | 24 | 216 | 90 | 63.5 | 98.5 | 135 | 19.5 | 2 | 4-19 |
| 1 1/2″ | 29 | 229 | 101 | 73 | 114.5 | 155 | 21.1 | 2 | 4-22 |
| 2″ | 36.5 | 267 | 120 | 92 | 127 | 165 | 22.7 | 2 | 8-19 |
| 600LB RF | |||||||||
| NPS(英寸) | Ød | L | H | A | B | C | T | F | n-Ø |
| 1/2″ | 10.5 | 165 | 63 | 35 | 66.5 | 95 | 21.3 | 7 | 4-16 |
| 3/4″ | 13 | 190 | 65 | 43 | 82.5 | 115 | 23 | 7 | 4-19 |
| 1″ | 17.5 | 216 | 80 | 51 | 89 | 125 | 24.5 | 7 | 4-19 |
| 1 1/4″ | 24 | 229 | 90 | 63.5 | 98.5 | 135 | 27.7 | 7 | 4-19 |
| 1 1/2″ | 29 | 241 | 101 | 73 | 114.5 | 155 | 29.3 | 7 | 4-22 |
| 2″ | 36.5 | 292 | 120 | 92 | 127 | 165 | 32.4 | 7 | 8-19 |
| 900LB/1500LB RF | |||||||||
| NPS(英寸) | Ød | L | H | A | B | C | T | F | n-Ø |
| 1/2″ | 10.5 | 216 | 63 | 35 | 82.5 | 120 | 29.5 | 7 | 4-22 |
| 3/4″ | 13 | 229 | 65 | 43 | 89 | 130 | 32.5 | 7 | 4-22 |
| 1″ | 17.5 | 254 | 80 | 51 | 101.5 | 150 | 36 | 7 | 4-26 |
| 1 1/4″ | 24 | 279 | 90 | 63.5 | 111 | 160 | 36 | 7 | 4-26 |
| 1 1/2″ | 29 | 305 | 101 | 73 | 124 | 180 | 39 | 7 | 4-29 |
| 2″ | 36.5 | 368 | 120 | 92 | 165 | 215 | 45.5 | 7 | 8-26 |
技术资料
1.设计与制造:API602;ASME B16.34
2.结构长度:ASME B16.34
3.法兰端尺寸:ASME B16.5(RF,FM,RJ)
4.检验与试验:API598
5.结构特征:B·B(中部螺栓)W·B(中部焊接)流量:全径(FP)缩径(RP)
6.主体材料:A105N,LF2,LF3,F11,F5,F22,F304,F304L.F316,F316L,F321H,F51,F53,F55,F91,F92,F347,310S,800H,600,625特殊材料等
相关信息